ABLIC HDL6M06502B High-voltage Analog Switch
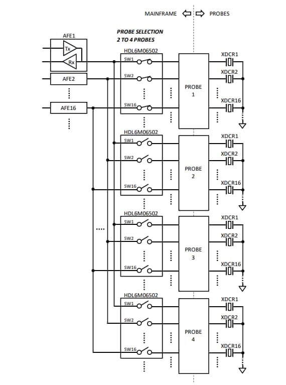
ABLIC HDL6M06502B High-voltage Analog Switch is a 16-channel SPST analog switch with an active ground clamp, operated by a single 5V for ultrasound imaging applications. The HDL6M06502B includes four sets of four single-pole, single-throw (SPST) analog switches controlled by four logic inputs. The HDL6M06502B supports a unique pin-out which makes PCB traces more manageable.Features
- 0V to ±100V analog signal voltage range (10kHz to 20MHz signal frequency range)
- 2A peak analog signal current per channel
- 8Ω main switch on-resistance
- 40kΩ bleed resistor on probe side
- Low on/off-capacitance
- -52dB off-isolation at 5MHz (load-independent)
- -60dB switch crosstalk
- 20Ω ground clamp switch on probe side alternately turned on/off with the main switch
- DS_ASW to disable 20Ω ground clamp switch
- 1.8V to 5V CMOS logic interface
- Single +5V power supply (NO HIGH-VOLTAGE POWER SUPPLY required)
- Low power dissipation (static 1mW)
- Unique pin configuration for easy PCB traces (SPs on one side and STs on the opposite side)
- 52-lead 8mm x 8mm QFN package (RoHS compliant)
Block Diagram
Application Circuit
Yayınlandı: 2022-05-11
| Güncellenmiş: 2023-09-14
