Amphenol Piher HCSO-1W Automotive Hall Effect Current Sensors

Amphenol Piher HCSO-1W Automotive Hall Effect Current Sensors are open-loop current sensors that generate a ratiometric analog output voltage signal proportional to the current flowing through the conductor. Utilizing Hall effect technology, the HCSO-1W delivers reliable performance with excellent linearity and low hysteresis, ensuring precise monitoring of DC and AC currents up to ±1000A. The open-loop design enables galvanic isolation between the primary conductor and the measurement electronics, enhancing safety and system integrity.

Built for harsh environments, the Amphenol Piher HCSO-1W features a robust construction that withstands extreme temperatures, vibrations, and electrical noise, making it ideal for electric vehicles, battery management systems, and power distribution units. These sensors offer fast response times and high bandwidth, supporting dynamic current measurement in demanding applications. With a compact form factor and easy integration, the HCSO-1W simplifies design while meeting stringent automotive standards for reliability and durability.

Features

  • Open-loop current transducer based on Hall effect technology
  • Dual-channel sensor for high and low currents
  • Through-hole design for cable and busbar mounting
  • Simple or redundant analog ratiometric output
  • ±25A to ±1000A measured current value range
  • Easy to customize
  • Non-intrusive technology
  • Resistant to magnetism
  • Accurate, non-intrusive measurement of currents with galvanic separation between power and control
  • -40°C to +125°C operating temperature range
  • Halogen-free and RoHS/REACH compliant

Applications

  • Battery management
  • Motor control
  • Electric vehicle (EV) motor inverters
  • DC/DC converters

Specifications

  • 5V ±10% supply voltage
  • 26mA typical current consumption
  • 0.5V to 4.5V analog output range
  • 3.95mm clearance/creepage distance
  • +10V overvoltage protection
  • IP67/IP69K rated (not considering the connector)
  • TE Connectivity 1-1564559-1 connector
  • 2.5N.m maximum mounting torque (M4x, 7mm)

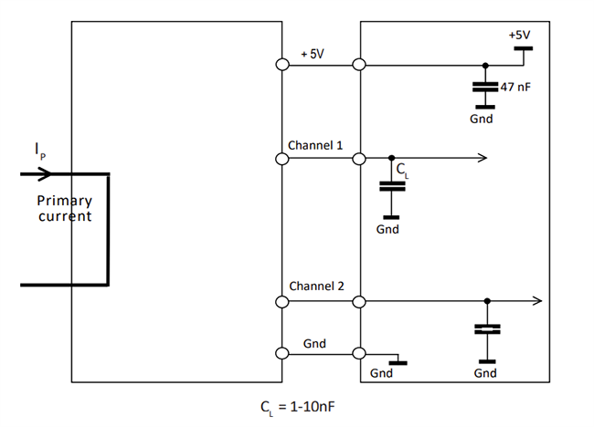
Schematic

Schematic - Amphenol Piher HCSO-1W Automotive Hall Effect Current Sensors
Yayınlandı: 2025-11-25 | Güncellenmiş: 2025-12-05