Amphenol All Sensors MAMP Prime-Grade Pressure Sensors
Amphenol All Sensors MAMP Prime-Grade Pressure Sensors feature 0 to 1" H2O to 0 to 30" H2O pressure ranges and an operating temperature range of -40°C to +125°C. These sensors provide a calibrated amplified output with superior output offset characteristics. The silicon, micromachined, stress-concentration enhanced structure offers a linear output to measured pressure. Amphenol All Sensors MAMP Prime-Grade Pressure Sensors are ideal for medical instrumentation, environmental controls, and HVAC applications.Features
- 0 to 1" H2O to 0 to 30" H2O pressure ranges
- Matched pressure port volumes
- Temperature compensated ( -25°C to +85°C)
- Calibrated zero and span
- +4.5V to +5.5V supply voltage
- -40°C to +125°C operating temperature range
Applications
- Medical instrumentation
- Environmental controls
- HVAC
Physical Dimensions
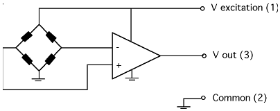
Equivalent Circuit
Yayınlandı: 2019-06-18
| Güncellenmiş: 2023-04-10
