ams OSRAM SFH 7019 3-in-1 Multi-Chip LED
ams OSRAM SFH 7019 3-in-1 Multi-Chip LED is a compact, high‑performance LED designed for advanced optical sensing applications, particularly in wearables, medical devices, and digital health technologies. The ams OSRAM SFH 7019 integrates green, infrared (IR), and ultraviolet (UV‑A) emitters into a single surface-mount (SMD) package, enabling simultaneous measurement of classic vital signs (such as heart rate) and more advanced metrics, like advanced glycation end products (AGEs) for non-invasive health diagnostics. The device features a clear silicone package, supports separate control of each emitter, and is optimized for SMT assembly.
The LEDs emitters operate at typical peak wavelengths of 527nm (green), 973nm (IR), and 379nm (UV‑A), each with a 60° viewing angle and fast rise/fall times suitable for precise optical measurements. Designed to withstand harsh conditions, the SFH 7019 supports an operating temperature range of -40°C to +85°C, includes 2kV ESD protection, and offers reliable performance with typical radiant flux values of 14mW (green), 8mW (IR), and 18mW (UV‑A). These features make this 3-in-1 LED well‑suited for next‑generation biosensing, mobile diagnostics, and compact designs requiring high accuracy and multifunctional optical output.
Features
- Combines a true green, IR, and UV-A emitters in a single component
- Clear silicone surface-mount package
- Non-invasive measurement via autofluorescence
- Emitters can be controlled separately
- Enables the addition of new features to wearables
- Compact overall dimensions with 0.6mm height
- Supports the prevention of chronic and acute diseases
- Complements established vital sign measurements with information about long-term metabolic stress
- Matching photodiode (SFH 2705U) from ams OSRAM
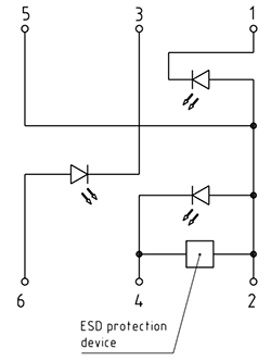
- 2kV ESD protection per ANSI/ESDA/JEDEC JS-001 (HBM, Class 2)
- Suitable for SMT assembly
- Available on tape and reel
Applications
- Digital diagnostic devices
- Vital sign monitoring
Specifications
- Maximum forward current
- 30mA for true green
- 60mA for infrared
- Maximum forward current pulsed
- 50mA for UV-A
- 0.75A for true green
- 1A for infrared
- Typical peak wavelength
- 379nm for UV-A
- 527nm for true green
- 973nm for infrared
- Centroid wavelength ranges
- 378nm to 387nm for UV-A
- 522.5nm to 541.5nm for true green
- 967nm to 985nm for infrared
- Typical spectral bandwidth at 50% Irel,max (FWHM)
- 11nm for UV-A
- 32nm for true green
- 45nm for infrared
- 60° typical half-angle
- Typical rise time (10%/90%) IF = 50mA, RL = 2Ω
- 18ns for UV-A
- 68ns for true green
- 9ns for infrared
- Typical fall time (10%/90%) IF = 50mA, RL = 2Ω
- 7ns for UV-A and infrared
- 40ns for true green
- Forward voltage ranges
- 3.0V to 3.8V for UV-A
- 2.2V to 2.8V for true green
- 1.1V to 1.5V for infrared
- 10µA maximum reverse current
- Radiant intensity ranges
- 5.0mW/sr to 6.8mW/sr for UV-A
- 2.2mW/sr to 5.4mW/sr for true green
- 1.8mW/sr to 3.4mW/sr for infrared
- Typical total radiant flux
- 18mW for UV-A
- 14mW for true green
- 8mW for infrared
- Typical thermal resistance junction solder point real
- 100K/W for UV-A
- 240K/W for true green
- 160K/W for infrared
- -40°C to +85°C operating temperature range
- +100°C maximum junction temperature
Internal Electrical Circuit
Dimensions: mm
