Analog Devices Inc. AD9094 Quad Analog-to-Digital Converters
Analog Devices Inc. AD9094 Quad Analog-to-Digital Converters is a quad, 8-bit, 1GSPS analog-to-digital converter (ADC). The AD9094 devices have an on-chip buffer and a sample-and-hold circuit. The circuit is designed for low power, small size, and ease of use. This device is designed for sampling wide bandwidth analog signals of up to 1.4GHz. The AD9094 is optimized for wide input bandwidth, high sampling rate, excellent linearity, and low power in a small package.Features
- JESD204B (Subclass 1) coded serial digital outputs with lane rates up to 15Gbps
- 1.74W total power at 1GSPS, 435mW per ADC channel
- SFDR = TBD dBFS at 305MHz (1.80V p-p input range)
- SNR = TBD dBFS at 305MHz (1.80V p-p input range)
- Noise density = -151.5dBFS/Hz (1.80V p-p input range)
- 0.975V, 1.8V, and 2.5V DC supply operation
- No missing codes
- Internal ADC voltage reference
- Analog input buffer
- On-chip dithering to improve small-signal linearity
- Flexible differential input range of 1.44Vp-p to 2.16Vp-p (1.80Vp-p nominal)
- 1.4GHz analog input full power bandwidth
- Amplitude detect bits for efficient AGC implementation
- Four integrated wideband digital processors
- 48-bit NCO, up to four cascaded half-band filters
- Differential clock input
- Integer clock divide by 1, 2, 4, or 8
- On-chip temperature diode
- Flexible JESD204B lane configurations
Applications
- LIDAR
- Communications
- DSO
- Ultrawideband satellite receivers
- Instrumentation
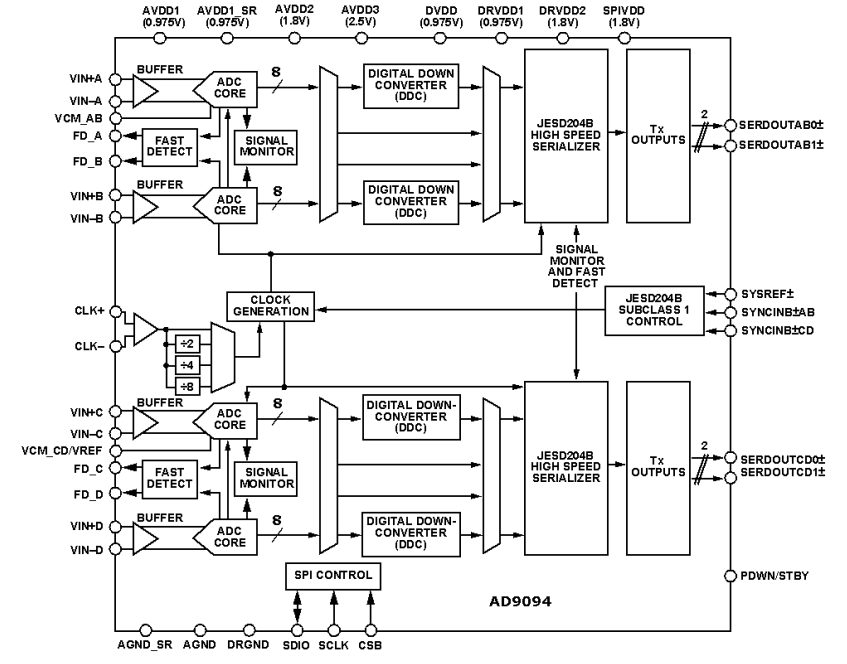
FUNCTIONAL BLOCK DIAGRAM
Yayınlandı: 2020-12-15
| Güncellenmiş: 2024-12-13
