Analog Devices Inc. HMC637BPM5E MMICs
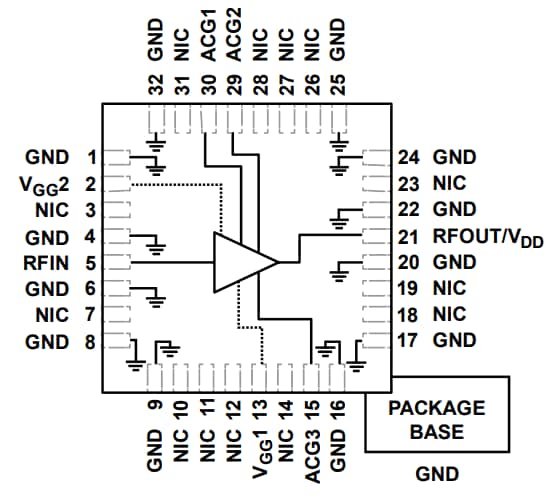
Analog Devices Inc. HMC637BPM5E Monolithic Microwave Integrated Circuits (MMICs) are gallium arsenide (GaAs), pseudomorphic high electron mobility transistors (pHEMT), cascode distributed power amplifiers. Analog Devices MMICs are self-biased in normal operation and feature optional bias control for quiescent current (IDQ) adjustment and the second-order intercept (IP2) and third-order intercept (IP3) optimization. The amplifiers operate from DC to 7.5GHz, providing 15.5dB of small signal gain and 28dBm output power at 1dB gain compression. The devices also feature a typical output IP3 of 39dBm, and a 3.5dB noise figure, while requiring 345mA from a 12V supply voltage (VDD).The HMC637BPM5E is ideal for military, space, and test equipment applications with a gain flatness from DC to 7.5GHz at ±0.5 dB typical. The HMC637BPM5E also features inputs/outputs (I/Os) that are internally matched to 50Ω.
The devices are housed in a RoHS-compliant, 5×5 mm, premolded cavity, lead frame chip scale package (LFCSP). This makes the device compatible with high volume, surface-mount technology (SMT) assembly equipment.
Features
- 28dBm typical P1dB output power
- 15.5dB typical gain
- 39dBm typical output IP3
- 50Ω matched input/output
- Self biased at VDD = 12V at 345mA typical
- Optional bias control on VGG1 for IDQ adjustment
- Optional bias control on VGG2 for IP2 and IP3 optimization
- 25mm2 32-lead, 5×5mm LFCSP package
Applications
- Military and space
- Test instrumentation
Block Diagram
Yayınlandı: 2018-08-15
| Güncellenmiş: 2023-02-24
