Analog Devices Inc. LTM4654 Hybrid Step-Down µModule® Bus Converters
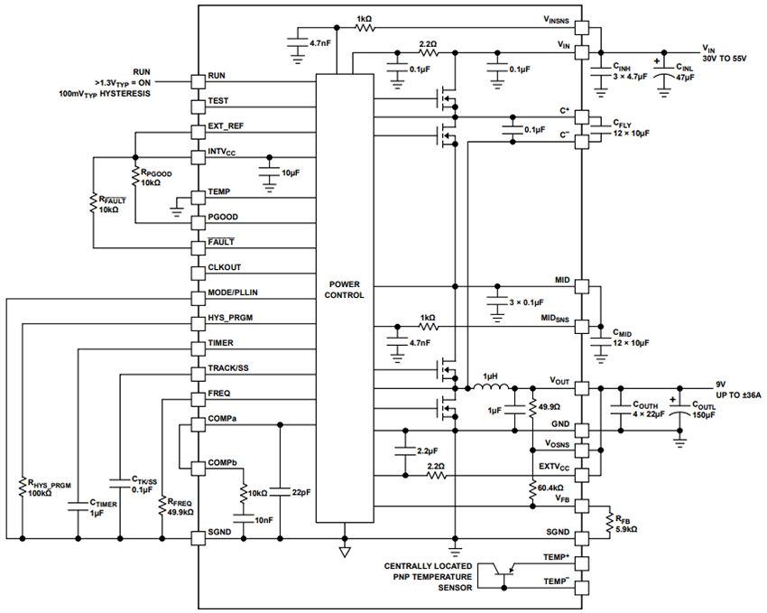
Analog Devices LTM4654 Hybrid Step-Down µModule® Bus Converters are complete 300W output source/sink switching mode hybrid-topology step-down DC-to-DC power μModule (micromodule) bus converters. LTM4654 is designed to deliver up to 25A of output current from input voltages ranging from 20V to 55V. Housed in a compact BGA package, these Analog Devices converters integrate a switching controller IC, power MOSFETs, magnetics, and supporting components, significantly simplifying power system design and reducing board space. The LTM4654 features a fixed 5:1 input-to-output voltage ratio, making it ideal for converting high-voltage intermediate bus rails to lower voltages in telecom, industrial, and automotive applications.The LTM4654 features bidirectional operation, frequency synchronization, Burst Mode® operation, output voltage soft start, and tracking. An onboard temperature diode is available for temperature monitoring. These converters offer excellent thermal performance, high power density, and robust protection features, including overvoltage, overcurrent, and thermal shutdown. The easy-to-use, high-reliability LTM4654 is a powerful solution for designers seeking compact and efficient power conversion in demanding environments.
Features
- 20V to 55V input voltage range, 57V absolute maximum
- Wide 4.5V to 18V output voltage range (VOUT < VIN/2)
- 96.7% efficiency (9V at ±15A output, 48VIN)
- ±3% maximum total DC output error
- Up to 300W output power (source/sink)
- Scalable for higher power applications
- Fixed-frequency current mode control
- Phase-lockable external synchronization from 200kHz to 1MHz
- Low startup inrush current with voltage-balancing of CFLY and CMID before the DC-to-DC switching action
- Output voltage tracking with soft start
- Short-circuit protection with adjustable retry timer
- Overcurrent and overtemperature protection
- Onboard diode temperature monitor
- Optional external reference input
- Power good and FAULT output indicators
- -40°C to +125°C internal operating temperature range
- 120-lead, 16mm × 16mm × 8.96mm, BGA package
- RoHS compliant
Applications
- Non-isolated intermediate bus power architectures
- Telecom, networking, and test/measurement equipment
- Industrial
Typical Application
Block Diagram
Yayınlandı: 2025-05-23
| Güncellenmiş: 2025-05-28
