Analog Devices / Maxim Integrated MAX14430, MAX14431, & MAX14432 Digital Isolators
Analog Devices MAX14430, MAX14431, and MAX14432 Digital Isolators are 4-channel fast, low-power digital galvanic isolators with an isolation rating of 3.75kVRMS for 60 seconds. The ADI MAX14430, MAX14431, and MAX14432 transfer digital signals between circuits with different power domains. This transfer is achieved using as little as 0.58mW per channel at 1Mbps with a 1.8V supply.Features
- Robust galvanic isolation for fast digital signals
- Up to 200Mbps data rate
- Withstands 3.75kVRMS for 60s (VISO)
- Continuously withstands 445VRMS (VIOWM)
- Withstands ±10kV surge between GNDA and GNDB with 1.2/50μs waveform
- High CMTI (50kV/μs, typical)
- Low Power consumption
- 1.1mW per channel at 1Mbps with VDD = 3.3V
- 3.5mW per channel at 100Mbps with VDD = 1.8V
- Options to support a broad range of applications
- Two data rates (25Mbps, 200Mbps)
- Three channel direction configurations
- Two output default states (high/low)
Applications
- Isolated SPI interface
- Fieldbus communications for industrial automation
- Isolated RS-485/RS-422, CAN
- Battery management
- Medical systems
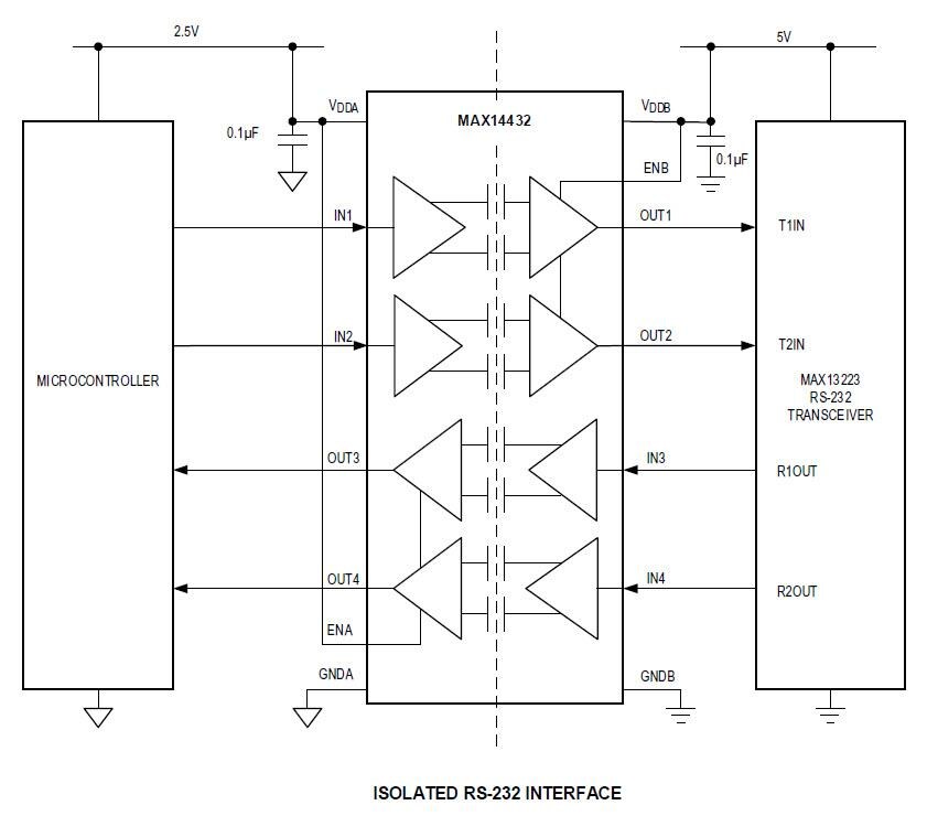
Typical Application Circuit
Yayınlandı: 2018-03-26
| Güncellenmiş: 2023-04-13
