Analog Devices / Maxim Integrated MAX17612BEVKIT Evaluation Kit
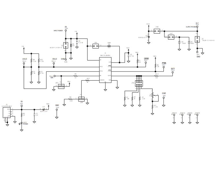
Analog Devices MAX17612BEVKIT Evaluation Kit is a fully assembled circuit board that evaluates the MAX17612B, a 4.5V to 60V current limiter with OV and UV protection in a 10-pin TDFN-EP package. The MAX17612BEVKIT features a TVS diode across the input, a Schottky diode across the output terminals, and a proven PBC layout. The Analog Devices MAX17612BEVKIT Evaluation Kit can be configured to support adjustable overvoltage, undervoltage, different current-limit types, and different current-limit thresholds.Features
- 4.5V to 60V operating-voltage range
- Features a TVS diode across the input and Schottky diode across the output terminals
- Evaluates UVLO, OVLO, three current limit types, and current limit threshold
- UVLO programmed to 4.5V
- OVLO programmed to 36V
- Jumper-configurable current limit (selected as 250mA by default)
- The current limit mode is set to Autoretry by default
- Proven PCB layout
- Fully assembled and tested
Applications
- Condition monitoring
- Factory sensors
- Industrial applications such as PLC, network-control modules, battery-operated modules
- Process instrumentation
- Sensor systems
- Weighing and batching systems
Schematic
Yayınlandı: 2018-10-26
| Güncellenmiş: 2023-04-24
