Analog Devices / Maxim Integrated MAX17612CEVKIT Evaluation Kit

Analog Devices MAX17612CEVKIT Evaluation Kit is a platform for evaluating the performance of the MAX17612C, a 4.5V to 60V current limiter with reverse protection in a 10-pin TDFN-EP package. The Analog Devices MAX17612CEVKIT features a TVS diode across the input, a Schottky diode across the output terminals, and a proven PCB layout. The device is designed to demonstrate different current-limit types and current-limit thresholds for the MAX17612C.

Features

  • 4.5V to 60V operating-voltage range
  • Features a TVS diode across the input and Schottky diode across the output terminals
  • Evaluates three current limit types and the current limit threshold
  • Internal UVLO set to 4.2V
  • Jumper-configurable current limit (selected as 250mA by default)
  • The current limit mode is set to Autoretry by default
  • Proven PCB layout
  • Fully assembled and tested

Applications

  • Condition monitoring
  • Factory sensors
  • Industrial applications such as PLC, network-control modules, battery-operated modules
  • Process instrumentation
  • Sensor systems
  • Weighing and batching systems

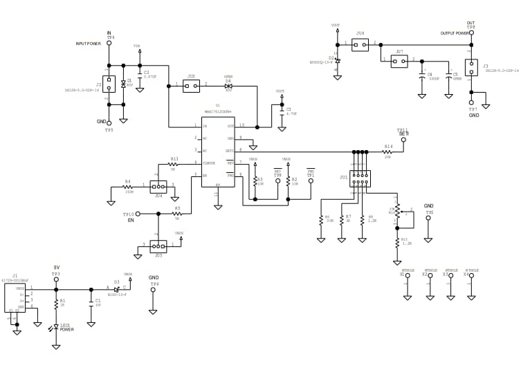
Schematic

Schematic - Analog Devices / Maxim Integrated MAX17612CEVKIT Evaluation Kit
Yayınlandı: 2018-10-26 | Güncellenmiş: 2023-04-24