Analog Devices / Maxim Integrated MAX17631 Synchronous Step-Down DC-DC Converter
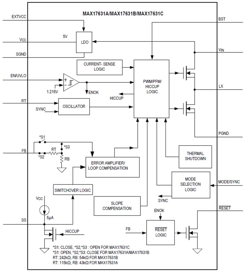
Analog Devices Inc. MAX17631 Synchronous Step-Down DC-DC Converter comes with integrated MOSFETs and operates over an input-voltage range of 4.5V to 36V. It can deliver up to 1.5A current. The MAX17631 is available in three variants, MAX17631A, MAX17631B, and MAX17631C. The MAX17631A and MAX17631B are fixed 3.3V and fixed 5V output parts, respectively. The MAX17631C is an adjustable output voltage (from 0.9V up to 90% of the VIN) part. Built-in compensation across the output-voltage range eliminates the need for external compensation components.The MAX17631 features peak-current-mode control architecture. The device can be operated in the forced pulse-width modulation (PWM), or pulse-frequency modulation (PFM), or discontinuous-conduction mode (DCM) to enable high efficiency under full-load and light-load conditions. The MAX17631 offers a low minimum on-time that allows high switching frequencies and smaller solution size. The feedback-voltage regulation accuracy over -40°C to +125°C for the MAX17631A/MAX17631B/MAX17631C is ±1.2%.
Features
- Reduces the number of DC-DC regulators to stock
- Wide 4.5V to 36V input
- Adjustable output voltage range from 0.9V up to 90% of the VIN
- Delivers up to 1.5A over the temperature range
- 400kHz to 2.2MHz adjustable frequency with external clock synchronization
- Available in a 16-Pin, 3mm x 3mm TQFN package
- Reduces power dissipation
- Peak efficiency of 95%
- PFM and DCM modes enable enhanced light-load efficiency
- Auxiliary bootstrap supply (EXTVCC) for improved efficiency
- 2.8μA shutdown current
- Reduces external components and total cost
- No Schottky - synchronous operation
- Internal compensation components
- All-ceramic capacitors, compact layout
- Operates reliably in adverse industrial environments
- Hiccup-Mode overload protection
- Adjustable and monotonic startup with pre-biased output voltage
- Built-in output-voltage monitoring with RESET
- Programmable EN/UVLO threshold
- Overtemperature protection
- High industrial -40°C to +125°C ambient operating temperature range / -40°C to +150°C junction temperature range
Applications
- Industrial control power supplies
- General-purpose Point-of-Load
- Distributed supply regulation
- Base station power supplies
- Wall transformer regulation
- High voltage single-board systems
Functional Diagram
Yayınlandı: 2019-12-03
| Güncellenmiş: 2023-05-05
