Analog Devices / Maxim Integrated MAX25222C Automotive 4-Ch TFT-LCD Power Supply
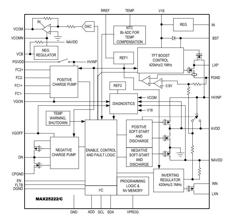
Analog Devices MAX25222C Automotive 4-Ch TFT-LCD Power Supply delivers symmetrical positive AVDD and negative NAVDD supplies as well as VGon and VGoff gate supplies. The MAX25222C integrates a VCOM buffer with output voltage range above and below ground and a temperature measurement block. This Analog Devices Power Supply contains non-volatile memory so that the values of all outputs can be calibrated for the device's lifetime (maximum five times). The built-in l2C interface on the MAX25222C allows programming and diagnostic data read back, and after programming, a stand-alone mode is available.The MAX25222C includes extensive diagnostics to aid in fulfilling the ASIL B safety level. The temperature sensor interface block measures the temperature optionally, enabling the VCOM output voltage to be adjusted depending on the measured temperature. The MAX25222C is offered in a TQFN package and operates in the -40°C to +125°C temperature range.
Features
- High integration
- Synchronous boost provides AVDD of 4.2V to 10.5V at up to 200mA
- NAVDD Inverter output at up to -200mA
- 15mA VGON output (7.6V to 20.2V) from 3x regulated charge pump
- VGOFF (-18.2V to -5.6V) from regulated charge pump at up to -15mA (charge-pump doubler)
- Controlled sequencing during power-on and power-off of all rails
- VCOM Output range +1V to -2.49V in 6.83mV steps
- NTC Input for temperature measurement/ compensation
- Low EMI
- 420kHz/2.1MHz Switching frequency with spread spectrum
- l2C Control/diagnostic interface with FLTB (Interrupt) output
- UV Diagnostics on all outputs
- OV Diagnostics on all outputs
- Bandgap reference out of range
- Stuck FLTB Pin
- Communication parity check
- VCOM DAC fault
- Versatile
- Non-volatile output voltage settings on AVDD/ NAVDD, VGON> VGOFF. VCOM, and sequencing
- Supports stand-alone operation mode after programming
- Compact 5mm x 5mm TQFN32 package
- AEC-Q100 Grade 1
Applications
- Infotainment displays
- Central information displays
- Instrument clusters
Block Diagram
Yayınlandı: 2021-11-05
| Güncellenmiş: 2023-04-17
