Analog Devices / Maxim Integrated MAX77659EVKIT Evaluation Kit
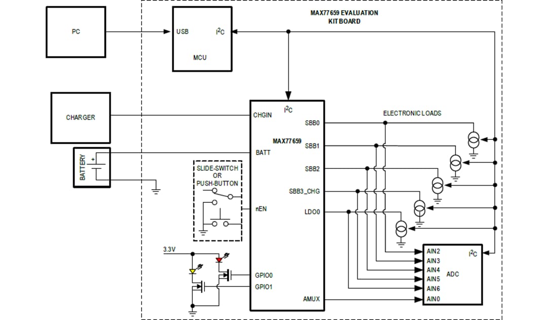
Analog Devices MAX77659EVKIT Evaluation Kit provides a demonstration and development platform for the MAX77659 SIMO PMIC (Power Management IC). The MAX77659 integrates a switching charger, a Single-Inductor Multiple-Output (SIMO) buck-boost regulator with three buck-boost outputs, a linear regulator, on/off controller, and an I2C interface. The device is optimized for rechargeable earbuds, wearables, and other applications, emphasizing low supply current and small solution size.Analog Devices MAX77659EVKIT Evaluation Kit includes a pre-mounted MAX77659 PMIC in a WLP-30 package, along with all required support circuitry. Digital, SIMO, and LDO test points allow access to all key signals, and a USB port enables the MAX77659EVKIT to connect to a PC. Windows®-based software provides a user-friendly graphical interface and a detailed register-based interface to exercise the features of the MAX77659.
Features
- Assembled and fully tested PCB
- Easy to use GUI drives the I2C interface
- Evaluates push-button, slide-switch, and logic mode on-key options
- GPIO LEDs
- Onboard electronic loads
- Steady-state, transient, and random modes
Required Equipment
- Windows-based PC
- GUI software
- Power supply
- Battery
- Ammeter
- Digital voltage meter
- Micro-USB cable
Board Layout (Top)
Board Layout (Bottom)
Block Diagram
Yayınlandı: 2021-09-02
| Güncellenmiş: 2023-04-17
