Bel Power Solutions Melcher™ RCM60 DC-DC Converters
Bel Power Solutions Melcher™ RCM60 DC-DC Converters feature a 12V to 110V voltage range, 60W power rating, and a 20ms interruption time. RCM60 converters are designed for chassis mounting in an enclosed housing and offer overtemperature, overvoltage, and overcurrent protection. These converters feature a two-stage topology with a booster at input followed by an active clamp forward converter. Bel Power Melcher RCM60 DC-DC Converters are ideal for railway and transportation applications.Features
- Ultra-wide input voltage range
- Single output voltage
- Overtemperature, overvoltage, overcurrent, and short-circuit protection
- 20ms interruption time (EN50155 Class S3)
- Low inrush current
- Primary shutdown input
- Conformal coated PCB
- High efficiency and high power density
- -40°C to +70°C ambient temperature range
- 50mm x 32mm x 172mm dimensions
- Compliant to EN50155, EN50121-3-2, EN61373, and AREMA
- Fire and Smoke inspected according to EN45545-2 and NFPA 130
- RoHS Compliant
- 5-year warranty
Videos
Additional Resources
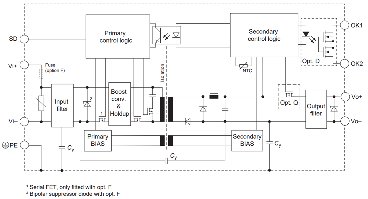
Block Diagram
Yayınlandı: 2019-12-02
| Güncellenmiş: 2023-03-20
