Bourns 0556x Current Sense Transformers
Bourns 0556x Current Sense Transformers feature an integrated primary current path, a turns ratio range of 50:1 to 2500:1, and a rated current of up to 40A. The series offers a frequency range of 10kHz to 300kHz, 50Hz, or 0.2MHz to 3MHz, and an inductance range of 0.77mH to 864mH. These transformers have reinforced insulation and operate from -30°C to +125°C (temperature rise included). Bourns 0556x Current Sense Transformers are ideal for use in switched-mode power supplies (SMPS), motor control, overload sensing, and AC current applications.Features
- Integrated primary current path
- Reinforced insulation
- Halogen free
- RoHS compliant
Applications
- SMPS
- Motor control
- Overload sensing
- AC current
Specifications
- 50:1 to 2500:1 Turns ratio range
- 10kHz to 300kHz, 50Hz, or 0.2MHz to 3MHz Frequency range
- Up to 40A rated current
- 0.77mH to 864mH Inductance range
- -30°C to +125°C Operating temperature range (temperature rise included)
Schematic
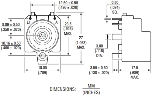
Dimensions
Yayınlandı: 2023-06-02
| Güncellenmiş: 2023-08-11
