Bourns 1430 Series Surge Protective Devices
Bourns 1430 Series Surge Protective Devices (SPDs) are IEC Class I + Class II DC devices designed to protect power systems from damage due to power surges, lightning, and transients, up to rated limits. These DIN-rail mountable SPDs protect DC systems operating up to 1500VDC and offer a maximum lightning surge current rating of 80kA (8/20μs) per pole. The high-energy, metal oxide varistor (MOV) technology design with a thermal disconnector delivers quick thermal response and secure disconnections. Bourns 1430 Series SPDs feature a status indicator, remote signaling capability, and RoHS compliance. Applications include photovoltaic systems, DC power, and electric vehicle (EV) charging stations.Features
- High-energy MOV technology with thermal disconnector
- Status indicator
- Replaceable modular design
- For common mode and differential mode protection
- Remote signaling capability
- IEC/EN 61643-31 compliant Class I + Class II / T1+T2 SPD
- RoHS compliant (RoHS directive 2015/863, March 31, 2015, and annex)
Applications
- DC power
- Photovoltaic systems
- EV charging stations
Specifications
- 80kA Imax (8/20µs) and 12.5kA Iimp (10/350µs) current capability
- 48VDC to 1500VDC network voltage range
- Remote signaling
- 250V / 0.5A (AC)
- 125V / 0.2A (DC)
- Options
- Single protection (-P)
- V configuration (-D)
- Y configuration (-Y)
- DIN-rail 35mm symmetrical mounting
- -40°C to +85°C operating temperature range
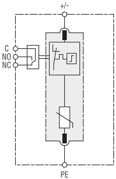
Electrical Diagram
Yayınlandı: 2024-08-22
| Güncellenmiş: 2024-08-26
