Comchip Technology MMBD4448HT SMD Switching Diodes
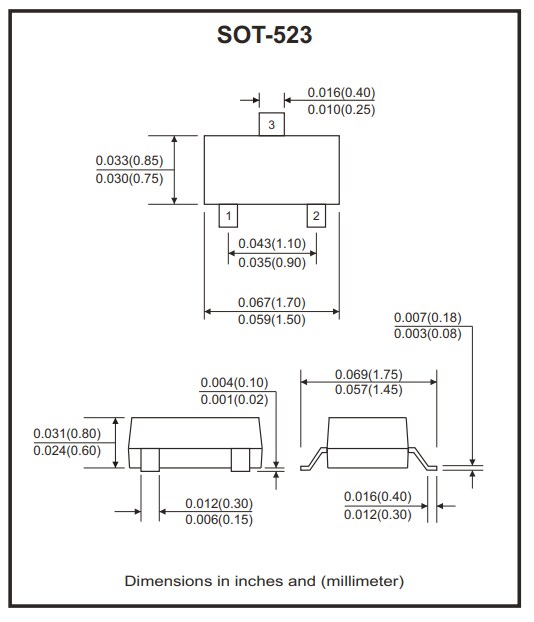
Comchip Technology MMBD4448HT SMD Switching Diodes offer fast switching speed and high conductance and come in an ultra-small surface mount package. These switching diodes feature a 100V non-repetitive peak reverse voltage, 85V DC blocking voltage, and 57V RMS reverse voltage. The MMBD4448HT diodes also feature a 2A non-repetitive peak forward surge current (t=8.3ms), 150mW power dissipation, and a junction temperature range of -65°C to 150°C. These switching diodes come in a SOT-523 package and are RoHS-compliant and Halogen-free.Features
- Ultra-small surface mount package
- Fast switching speed
- For general purpose switching applications
- High conductance
- RoHS-compliant
- Halogen-free
Specifications
- 100V non-repetitive peak reverse voltage
- 85V DC blocking voltage
- 57V RMS reverse voltage
- 2A non-repetitive peak forward surge current (t=8.3ms)
- 150mW power dissipation
- -65°C to 150°C storage or junction temperature range
Circuit Diagrams
Package Outline
Yayınlandı: 2024-08-29
| Güncellenmiş: 2024-10-03
