DFRobot DFR1190 Raspberry Pi Pico 2
DFRobot DFR1190 Raspberry Pi Pico 2 is a high-performance microcontroller designed for versatility, security, and efficiency. The RP2350 powers the DFRobot DFR1190 and features dual Arm® Cortex®-M33 and Hazard3 RISC-V cores, offering enhanced processing power. Built-in security, including Arm TrustZone and hardware SHA-256 acceleration, ensures strong protection for embedded systems. With flexible interfaces, low power consumption, and detailed documentation, it’s ideal for prototyping, education, and advanced hardware integration.Features
- Enhanced performance
- Equipped with dual Arm Cortex-M33 cores operating at up to 150MHz
- Offers a significant boost in processing power
- Includes Hazard3 RISC-V cores for flexible architecture experimentation
- Comprehensive security
- Built around Arm TrustZone for Cortex-M
- Features signed boot support, hardware SHA-256 acceleration, and a true random number generator
- Flexible interfacing
- Includes a second-generation Programmable I/O (PIO) subsystem
- Offers a rich peripheral set for customizable interfacing with minimal CPU overhead
- Low-power consumption
- Manufactured on a 40nm process node for low dynamic power usage
- Provides low-power modes for extended battery operation
- Extensive documentation
- Offers comprehensive documentation and a polished MicroPython port
- Ensures a smooth development experience for both beginners and advanced users
Applications
- Prototyping
- Educational projects
- Embedded systems development
- Complex hardware integration
- IoT applications
- Robotics
- Automation systems
- Sensor data processing
- Secure communication systems
- Custom electronics development
Specifications
- Dual Arm Cortex-M33 cores at 150MHz or dual Hazard3 RISC-V cores processor
- 520KB high-performance SRAM, supporting up to 16MB off-chip Flash memory via QSPI bus
- Security
- Arm TrustZone for Arm Cortex-M
- 8KB on-chip OTP memory
- SHA-256 hardware acceleration
- True random number generator (TRNG)
- Power
- On-chip programmable LDO for core voltage
- Two on-chip PLLs for USB and core clocks
- Interfacing
- 30x GPIO pins, including four analog inputs
- 2x UARTs, 2x SPI controllers, 2x I2C controllers
- 24x PWM channels
- USB 1.1 controller with host and device support
- Three programmable IO (PIO) blocks with 12x state machines
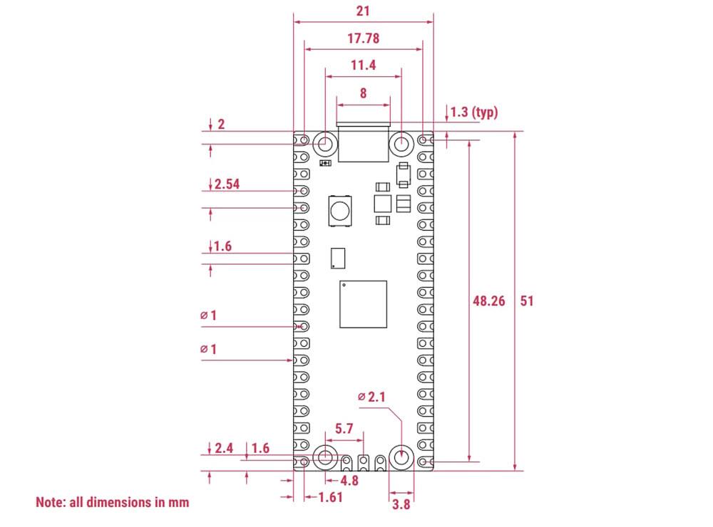
Dimensions
Yayınlandı: 2024-12-13
| Güncellenmiş: 2024-12-27
