Diodes Incorporated AL8853 High-Performance Boost LED Controller
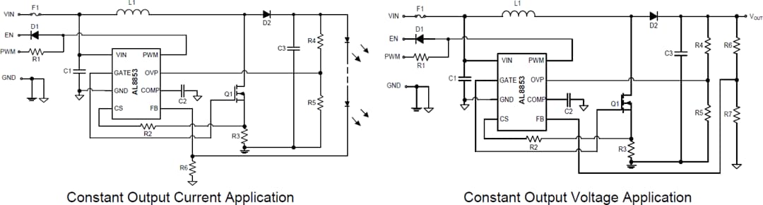
Diodes Incorporated AL8853 High-Performance Boost LED Controller is a highly integrated and cost-effective LED driver-controller, ideal for applications where the required LED chain length exceeds the input power rail. The Diodes Incorporated AL8853 contains a PWM boost driver, which uses current-mode control and fixed-frequency operation to regulate the LED current. The LED current is sensed through an external current sense resistor. The voltage across the sensing resistor is compared with a reference level of 200mV. The error is amplified to control the pulse width of the power switch to regulate the current flowing through the LED. The AL8853 offers PWM-to-analog dimming for a wide range of dimming control.The AL8853 LED Driver has comprehensive protection features, including power MOSFET Over Current Protection (OCP), Output Over Voltage Protection (OVP), Diode and Inductor short protection, LED cathode short to GND protection, IC power supply Under-Voltage Lockout (UVLO), LED open protection, VOUT short protection and Over Temperature Protection (OTP).
The AL8853 is available in the SO-8 (Type TH2) package, with a -40°C to +125°C operating temperature range.
Features
- Wide 6.0V to 40V input voltage range
- High 200mV/±3% precision feedback reference voltage
- Current mode PWM controller with good dynamic response
- PWM-to-analog dimming mode
- Boost topology
- 1000kHz maximum switching frequency
- Operating temperature range of -40°C to +125°C
- SO-8 (Type TH2) package
- Lead-free and fully RoHS compliant
- Halogen and antimony-free "Green" device
- Built-in comprehensive protection
- Under Voltage Lock Out (UVLO)
- Output Over Voltage Protection (OVP)
- Power MOSFET Over Current Protection (OCP)
- Diode and Inductor Short Protection
- LED Cathode Short to GND Protection
- LED Open Protection
- VOUT Short Protection
- Over Temperature Protection (OTP)
Applications
- Display and digital signage
- Automotive exterior
- Backlighting
- Infotainment and telematics
- Lighting
- Interior and exterior lighting
- TVs
- Smart lighting
- Street lamps
Block Diagram
Typical Application Circuits
Yayınlandı: 2019-12-27
| Güncellenmiş: 2023-08-14
