Diodes Incorporated AP9211 Single Chip Protection Solution
Diodes Inc. AP9211 Single Chip Protection Solution is specially designed for 1-cell Li+ rechargeable battery pack applications. The AP9211 includes a 1-cell Lithium-ion battery protection chip and dual N-Channel MOSFET with common drain. It provides rich battery protection features and can turn-off the N-Channel MOSFET by detecting overcharge voltage/current, over discharge voltage/current, or load short circuit. The AP9211 has a built-in fixed delay time to save external components and is available in a U-DFN2030-6 package.Features
- High voltage CMOS process, up to 30V (VDD to VM)
- Low quiescent current (+25°C )
- In normal mode, 3.0µA (Typ.), 4.5µA (Max.)
- In power-down mode, 0.1µA (Max.)
- High accuracy voltage detection (+25°C )
- Overcharge detection voltage of 3.5V to 4.5V (5mV/Step) ±25mV
- Overcharge release voltage of 3.4V to 4.4V (50mV/Step) ±50mV
- Overdischarge detection voltage of 2.0V to 3.4V (10mV/Step) ±35mV
- Overdischarge release voltage of 2.7V to 3.4V (40mV/Step) ±65mV (no power-down mode)
- Discharge overcurrent detection voltage of 0.05V to 0.32V (10mV/step) ±15mV
- Short current detection voltage of 0.45V to 0.7V (50mV/Step) ±100mV
- Charge overcurrent detection voltage of -0.20V to -0.05V (10mV/Step) ±15mV
- Over charger detection voltage of 8.0V (fixed) ±2.0V
- Over charger release voltage of 7.3V (fixed) ±2.0V
- Built-in delay time (+25°C ), accuracy ±20%
- Power-down mode selectable (yes or no)
- 0V Battery charge selectable (permission or inhibition)
- Overcharge protection mode selectable (auto release or latch)
- Totally lead-free & fully RoHS compliant
- Halogen and antimony free, "green" device
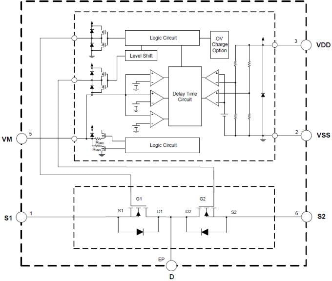
Functional Block Diagram
Yayınlandı: 2015-09-22
| Güncellenmiş: 2022-03-11
