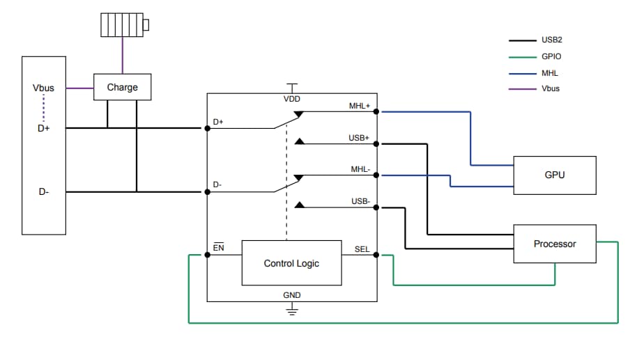
Diodes Incorporated PI3USB3000 High Speed USB 2.0 1:2 Mux/DeMux Switch
Diodes Incorporated PI3USB3000 High-Speed USB 2.0 1:2 Mux/DeMux Switch is a 2-to-1 differential channel multiplexer/demultiplexer switch in a UQFN-10 package. The switch offers D± pins that can tolerate voltages up to 9V. At 4.75V, Overvoltage Protection (OVP) is implemented to immediately switch off the channels when an overvoltage condition is detected on the device. The Diodes Inc PI3USB3000 passes USB 2.0 and MHL signals with a bandwidth of 5.5GHz to deliver excellent signal integrity and an eye diagram opening.Features
- Differential bidirectional 2:1 Mux/DeMux
- Wide 0 to 3.6V input voltage range
- Mobile Hi-Definition Link (MHL) switch:
- Bandwidth (-3dB) of 5.3GHz
- RON (Typical) of 5.7Ω
- CON (Typical) of 1.5pF at 240MHz
- Bandwidth (-3dB) of 5.3GHz
- USB switch:
- Bandwidth (-3dB) of 5.5GHz
- RON (Typical) of4.6Ω
- CON (Typical) of 1.5pF at 240MHz
- Bandwidth (-3dB) of 5.5GHz
- Low propagation delay, 0.1ns typical
- -34dB at 240MHz low off-isolation
- -37dB at 240MHz low crosstalk
- 35µA typical low power consumption
- Wide 1.8V to 5.5V supply voltage
- Supports 1.8V logic on control pins
- Protection feature
- Power-off protection for minimizing current leakage in power-down mode
- Connector pins are high voltage tolerated D± tolerance to 9V
- Overvoltage protection at D±
- Wide -40°C to +85°C temperature range
- Totally lead-free and fully RoHS compliant
- Halogen and antimony-free “Green” device
- Packaging (Pb-free and Green)
- 10-contact, UQFN (ZUA), 1.5x2mm, 0.5mm(H), 0.6mm pitch
Applications
- Smartphones
- USB-C®
- Tablets
- NBs
- PCs
Block Diagram
Typical Application
Yayınlandı: 2023-03-29
| Güncellenmiş: 2023-04-06
