Qorvo QPD1011AEVB Evaluation Board
Qorvo QPD1011AEVB Evaluation Board is a fully assembled RF evaluation board for the QPD1011A GaN‑on‑SiC input‑matched transistor, purpose‑built to speed device characterization and amplifier prototyping in the 100MHz to 1GHz band. The Qorvo QPD1011AEVB board implements the device’s 50Ω input match and provides an output network that can be tuned on‑board, for optimum power and efficiency across the target band. Typical use cases include wideband and narrowband RF power stages for communications, radar, and test instrumentation.
Features
- RO4350B PCB material, 20mil thickness, 2oz copper cladding
- 3.98" x 3.98" overall dimensions
- 100MHz to 1GHz frequency range
- 18.7dB typical linear gain
- 39.9dBm typical output power at 3dB compression
- 51.5% typical drain efficiency at 3dB compression
- 15.7dB typical gain at 3dB compression
Applications
- Military radar
- Civilian radar
- Land mobile and military radio communications
- Test instrumentation
- Wideband or narrowband amplifiers
- Jammers
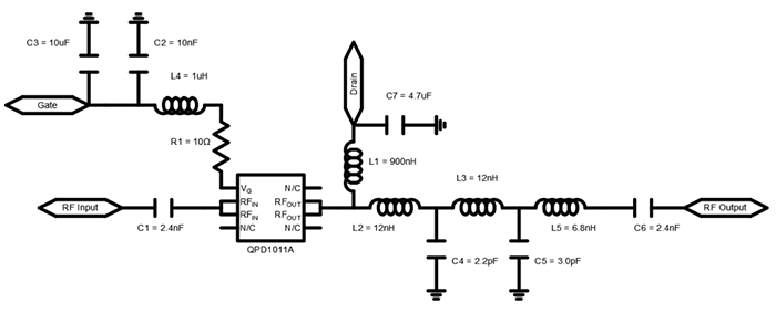
Circuit Schematic
Yayınlandı: 2026-01-13
| Güncellenmiş: 2026-01-20
