Epson ICs S1C17W18 Single Chip Microcontrollers
Epson S1C17W18 Single-Chip Microcontrollers are 16-bit MCUs. These MCUs feature low-voltage operation from 1.2V, and include a 128KB flash memory. The S1C17W18 MCUs also feature a high-efficiency DC to DC converter that generates constant voltage to drive the IC with lower power than 4-bit MCUs. The S1C17W18 MCUs include an 8KB RAM, a real-time clock, a stopwatch, an LCD driver, a temperature sensor, and an A/D converter. These MCUs are equipped with a PWM timer that generates a drive waveform for a motor driver and a high-performance 16-bit CPU. The S1C17W18 MCUs find purpose in battery-driven applications that require an LCD and temperature measurement function.Features
- Seiko Epson original 16-bit RISC CPU core S1C17
- Ultra-low standby power consumption with 0.3 µA at HALT state in super economy mode
- On-chip debugger
- Embedded flash memory
- 128KB
- 8KB embedded RAM
- Clock Generator
- Watchdog Timer and Real-time clock
- 16-bit timer (T16) and 16-bit PWM timer(T16B)
- Supply Voltage Detector (SVD) with 30 detection levels
- Universal Asynchronous Receiver-Transmitter (UART), Synchronous Serial Interface (SPIA), and I2C interfaces
- LCD driver
- R/F converter
- Temperature sensor/reference voltage generator
- 1.2VDD to 3.6VDD operating voltage range
- -40°C to 85°C operating temperature range
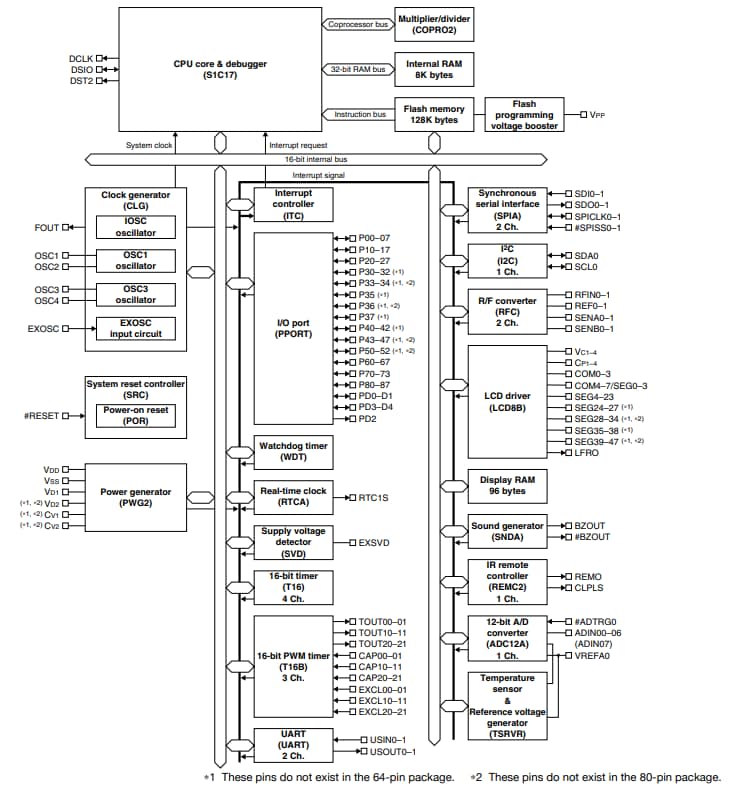
Epson S1C17W18 Single Chip Microcontrollers Block Diagram
Additional Resource
Yayınlandı: 2018-04-19
| Güncellenmiş: 2022-08-12
