Infineon Technologies SSCB Evaluation Kit
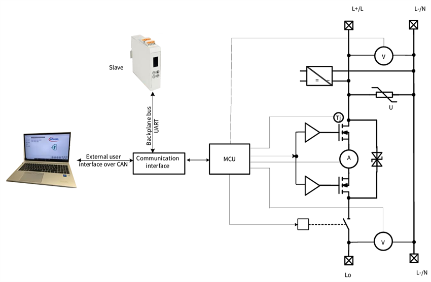
Infineon Technologies Solid-State Circuit Breaker (SSCB) Evaluation Kit allows easy evaluation of AC- and DC-type circuit breakers with the help of an interactive GUI. This kit supports 110VAC, or 230VAC, or 350VDC operation and a 16A nominal current. It can support different SSCB topologies like 1P - N, 3P - N (stacked, cascaded), L+ - L-. The Infineon Technologies SSCB Evaluation Kit features non-isolated integrated coolers mounted over top-side cooling (TSC) SiC MOSFET packages to support passive cooling.Features
- Floating switch - Back-to-Back (B2B) power MOSFET configuration for bidirectional current blocking capability
- Passive cooling with Top-Side Cooling (TSC) concept - Cu heatsink soldered over the MOSFET
- External user interface bus in Safety Extra-Low Voltage (SELV) domain - high-speed CAN and digital inhibit input
- Isolated backplane communication bus (for multichannel configuration) in Functional Extra-Low Voltage (FELV) domain - UART and bidirectional digital I/O signal
- Protection and monitoring provisions
- Shunt resistor-based channel current measurement
- Shunt resistor-based overcurrent detection (OCD)
- Isolated channel input and output voltage measurement
- Temperature close to source pin (Tntc) measurement by NTC
- Overload (OVL), overtemperature (OVT), undervoltage (UVP), and overvoltage protection (OVP)
- F-RAM for data logging
- Programmability and monitoring with SSCB Demo graphical user interface (GUI)
- AC or DC operation selection
- Positive and negative OCD trip thresholds
- Overtemperature shutdown and recovery thresholds
- UVP and OVP thresholds
- Trip chart parameters - nominal current, static overdrive factor, fast and slow overcurrent factors, and tripping integral
- In-application programming to calibrate the channel input and output voltage and current
- Monitoring and export of analog measurements like VIN, VO, I, f, P, power factor, OCD threshold references, Tj or TNTC
- TFT display to monitor V, I, P, f, Tj or TNTC, SSCB state, and diagnostic information
- Self-powered - flyback power supply from grid, no external supply needed
Applications
- Industrial automation
- Solid-State Circuit Breaker
Kit Contents
- SSCB device - SSCB logic and power boards fitted inside housing with a TFT display and keyboard
- SSCB Demo GUI - GUI and PCB design data available online
- Seeed Studio 114991193 USB to CAN analyzer
- 24V, 1A adapter
Block Scheme
Yayınlandı: 2024-10-02
| Güncellenmiş: 2024-11-01
