ISSI IS42S16320B 512Mb Synchronous DRAM
ISSI IS42S16320B 512Mb Synchronous DRAM achieves high-speed data transfer using pipeline architecture. All input and output signals refer to the rising edge of the clock input. This ISSI 512Mb SDRAM is designed to operate in 3.3V VDD and 3.3V VDDQ memory systems containing 536,870,912 bits. IS42S16320B SDRAM is internationally configured as a quad-bank DRAM with a synchronous interface. The 512Mb SDRAM has the ability to synchronously burst data at a high data rate with automatic column-address generation, the ability to interleave between internal banks to hide pre-charge time, and the capability to randomly change column addresses on each clock cycle during burst access.Features
- 166MHz, 143MHz, 133MHz clock frequency
- Fully synchronous
- Internal bank for hiding row access/precharge
- 3.3V VDD and 3.3V VDDQ power supply
- LVTTL interface
- Programmable burst length: (1, 2, 4, 8, full page)
- Sequential/Interleave programmable burst sequence
- Auto refresh (CBR)
- Self refresh
- 8K refresh cycles every 16ms (A2 grade) or 64ms (Commercial, Industrial, A1 grade)
- Random column address every clock cycle
- Programmable CAS latency (2, 3 clocks)
- Burst read/write and burst read/single write operations capability
- Burst termination by burst stop and pre-charge command
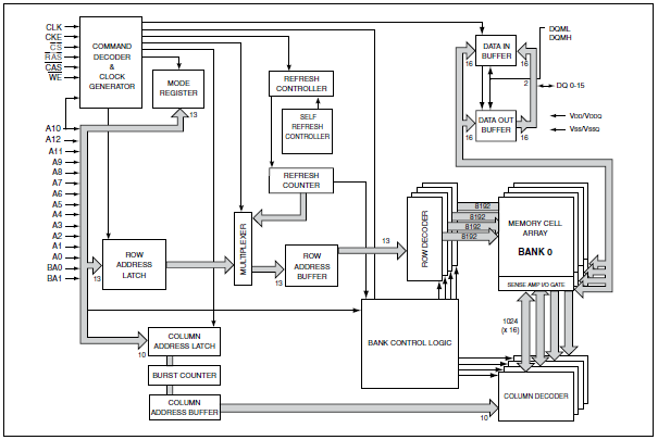
Functional Block Diagram
Yayınlandı: 2012-05-22
| Güncellenmiş: 2024-03-05
