IXYS IX9915 Low Voltage Error Amplifiers
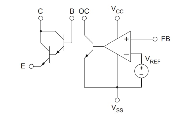
IXYS IX9915 Low Voltage Error Amplifiers integrate an error amplifier with a precision reference and a 350V Darlington transistor in a single package. The error amplifier features a 1.3V to 12.5V supply voltage range over temperature. The Darlington transistor offers a 350V breakdown voltage. The integrated combination of a 4-terminal 431 type shunt regulator and a high-voltage Darlington transistor is ideal for use in LED lamp bleeder control circuits.Features
- Precision reference, error amplifier, and a high-voltage Darlington transistor in a single package
- 1.299V±1% reference @25°C (±1.5% @-40°C to 85°C)
- 1.3V to 12.5V supply voltage range over temperature, error amplifier
- 350V breakdown voltage of Darlington transistor
Applications
- LED lamps
- Low voltage power supply feedback
- AC-to-DC off-line power supplies
- DC-to-DC converters
Block Diagram
Yayınlandı: 2019-12-20
| Güncellenmiş: 2023-12-13
