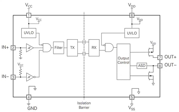
IXYS IX3407B Isolated Single-Channel Gate Driver
IXYS IX3407B Isolated Single-Channel Gate Driver provides a typical 7A peak source and sink output current on separate output pins. Galvanic input-output isolation is achieved through an isolation technique that separates the low-voltage transmitter die and the high-voltage receiver die using integrated high-voltage capacitors. Logic inputs on the IXYS IX3407B are tolerant to input voltages up to VCC and employ TTL voltage thresholds to support a wide range of control logic devices powered by as low as 3.3V. Undervoltage lockout (UVLO) circuitry protects both the input and output sides. An active shutdown feature also protects the power transistor by pulling OUT-low in case of an output side voltage supply loss.Features
- Drives IGBTs, MOSFETs, and SiC MOSFETs
- Separate source and sink outputs
- 7A typical source and sink peak current
- 3.1V to 17V input side operating voltage range
- 13V to 35V output side operating voltage range
- UVLO protection
- 2500VRMS input to output isolation
Applications
- AC and brushless DC motor drives
- High-voltage DC/DC converters and DC/AC inverters
- UPS
- Welders
- Solar inverters
- Induction heating resonant applications
Videos
Functional Block Diagram
Yayınlandı: 2025-06-24
| Güncellenmiş: 2025-11-04
