M5Stack RS232M Interface Modules 13.2
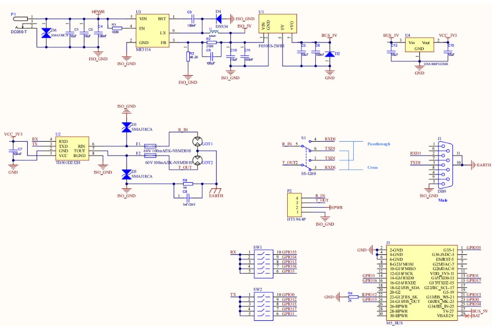
M5Stack RS232M Interface Modules 13.2 are DB9 interface expansion modules of RS232 serial communication with isolation using the TD301D232H serial port conversion chip + male/female interfaces. These RS232M interface modules 13.2 realize the interface conversion between TTL/CMOS logic level signals and RS232. The F0505S-2WR3 DC-DC power module realizes the electrical and noise isolation function, toggle switch, and coding switch. These modules have a built-in corresponding DC-DC circuit and power input socket to power the entire device.The RS232M interface module 13.2 features F0505S-2WR3 electrical and noise isolation and TD301D232H serial port chip and is fast and reliable. These modules operate at a 9V to 24V supply voltage range and 0°C to 40°C operating temperature range. The RS232M interface modules 13.2 are ideally used in industrial automation, instrumentation, and medical equipment.
Features
- TD301D232H serial port chip, support full duplex, and fast and reliable
- F0505S-2WR3 electrical and noise isolation
- Toggle switches and coded switches switch line sequence and GPIO
- Arduino and UIFlow programming platform
- 88mm x 61mm x 21mm package size
- 54mm x 54mm x 13.2mm product size
- 0°C to 40°C operating temperature range
- 9V to 24V operating supply voltage range
Applications
- Industrial automation
- Instrumentation
- Medical equipment
- Communication equipment
Schematic Diagram
Dimension Diagram
Yayınlandı: 2023-08-09
| Güncellenmiş: 2023-09-25
