MACOM CMPA0760020F-AMP Evaluation Board
MACOM CMPA0760020F-AMP Evaluation Board is designed to evaluate and demonstrate the CMPA0760020F amplifier. The CMPA0760020F-AMP is an evaluation board for the CMPA0760020F amplifier. The CMPA0760020F-AMP features CW operation, 25W Psat, 36% PAE, and 21dB LSG. This CMPA0760020F-AM operates at -55°C to +150°C storage temperature range 31V drain voltage and -1V gate voltage. The CMPA0760020F-AMP is ideally used in electronic warfare, military communications, ISM amplifiers, and EMC amplifiers.Features
- CW operation
- 25W Psat
- 36% PAE
- 21dB LSG
- 33dB S21
- -12dB S11
- -10dB S22
Specifications
- 31V drain voltage
- -1V gate voltage
- 3A drain current
- 20mA gate current
- 225°C junction temperature
- 260°C mounting temperature
- -55°C to +150°C storage temperature range
Applications
- Electronic warfare
- Military communications
- ISM amplifiers
- EMC amplifiers
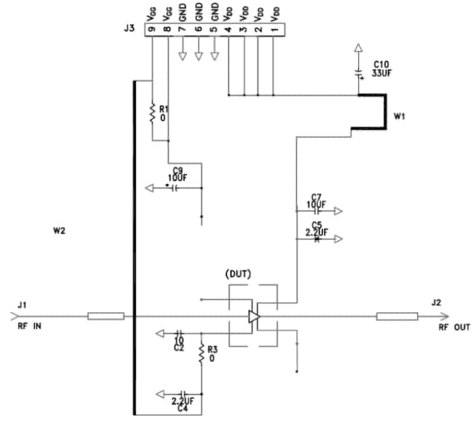
Schematic Diagram
Yayınlandı: 2023-08-21
| Güncellenmiş: 2024-08-16
