MACOM MAAD-011048 Digital Attenuator
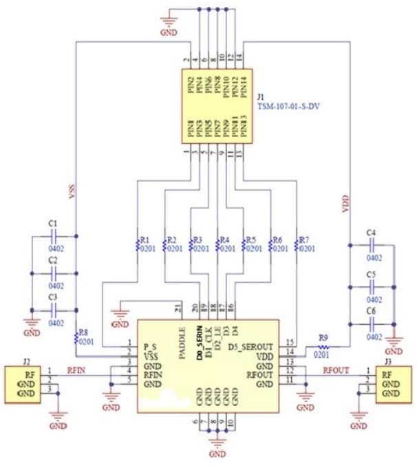
MACOM MAAD-011048 Digital Attenuator is a wide band, 5-bit, 31dB attenuation ranged, and 1dB LSB step MMIC digital attenuator. This digital attenuator is controlled with either a SPI-compatible serial interface or a 5-bit parallel word. The serial control interface (SERIN, CLK, LE, and SEROUT) is compatible with the SPI protocol. The SEROUT is the SERIN delayed by 6-clock cycles, which can be used in daisy-chain operation. The MAAD-011048 digital attenuator integrates a CMOS-compatible driver and is compatible with 1.8V CMOS logic. This attenuator features a Parallel or Serial (P/S) control mode option and offers low DC power consumption. The MAAD-011048 digital attenuator comes in a lead-free 3mm, 20 lead surface mount laminate package. This device is ideally suited where high accuracy, very low power consumption, and low intermodulation products are required.Features
- 5-bit, 1dB LSB, and 31dB attenuation range
- Insertion loss:
- 2.0dB @ 26.5GHz
- 3.1dB @ 50GHz
- Input P0.1 dB is 26dBm @ 40GHz
- Integrated CMOS-compatible driver
- Compatible with 1.8V CMOS logic
- Parallel or Serial (P/S) control
- Low DC power consumption
- Lead-Free 3mm 20-lead package
- RoHS-compliant
Applications
- Aerospace and defense
- IMS
Functional Schematic
Application Schematic
Yayınlandı: 2024-02-21
| Güncellenmiş: 2024-04-12
