MACOM MAMF-011069 Dual-Channel LNA Module
MACOM MAMF-011069 Dual-Channel LNA Module integrates two 2-stage low noise amplifiers and two high power switches into a single, compact 5mm2 QFN package. The MAMF-011069 Module operates from 1.8GHz to 3.9GHz. This device features high gain, a very low noise figure in the receive mode, and low insertion loss in the transmission mode. The PIN switches handle high power over a 20W continuous waveform (CW) signal. External SMT components optimize the matching and enable a flexible frequency of operation. The MAMF-011069 Module is ideally suited for 4G, next-generation 5G Massive MIMO, or Small Cell Base Transceiver Stations (BTS).Features
- 1.8GHz to 3.9GHz frequency range
- Dual-channel architecture
- Two low-noise amplifiers
- Two high-power switches
- Gain (Rx mode)
- 33dB at 2.6GHz
- 34dB at 3.5GHz
- Noise figure (Rx mode)
- 1.2dB at 2.6GHz
- 1.5dB at 3.5GHz
- 255mA bias current
- 5V bias voltage
- 20W CW PIN switch power handling
- 0.5dB insertion loss (Tx mode)
- Integrated ESD protection
- -40°C to +105°C operating temperature range
- QFN-32 package type
- 5mm x 5mm package dimensions
- Halogen-free "Green" mold compound
Applications
- 5G wireless infrastructure
- Base transceiver stations
Videos
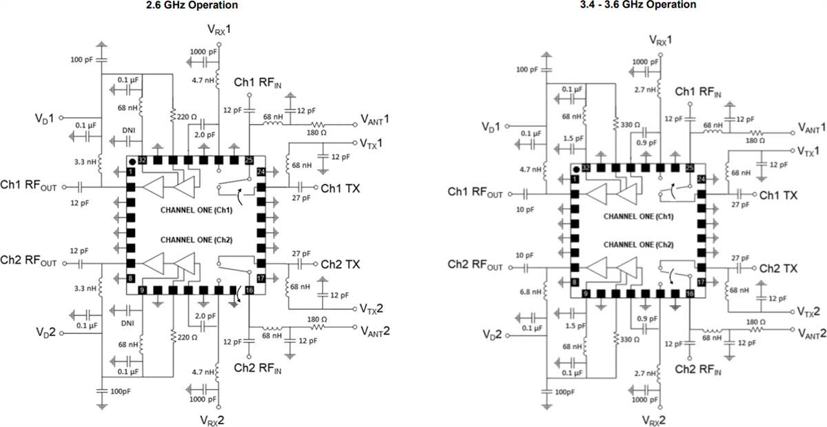
Application Schematics
Package Outline
Yayınlandı: 2019-12-19
| Güncellenmiş: 2023-09-05
