Microchip Technology MCP19114 / MCP19115 Low-Side PWM Controllers
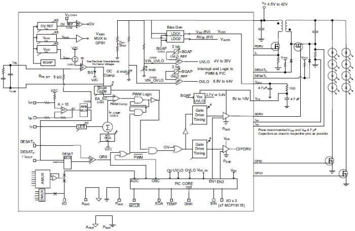
Microchip MCP19114 / MCP19115 Synchronous Low-Side PWM Controllers are mid-voltage (4.5-42V) analog-based devices with an integrated 8-bit PIC™ Microcontroller. This Microchip product family combines the performance of a high-speed analog solution, including high-efficiency and fast transient response, with the reconfigurability and communication interface of a digital solution. Combining these solution types creates a new family of devices that maximizes the strengths of each technology to create a more cost-effective, configurable, high-performance power conversion solution.Features
- Wide Operating Voltage Range: 4.5-42V
- Analog Peak-Current Mode Pulse-Width Modulation (PWM) Control
- Integrated 8-Bit PIC® Microcontroller
- Significant Configurability: Adjustable Output Voltage, Switching Frequency, MOSFET Deadtime, I2C Communication Interface
- Integrated, Synchronous Low-Side MOSFET Drivers
- Minimal External Components Needed
- Custom Algorithm Support
- Topologies Supported: Boost, SEPIC, Flyback, and Cuk
Block Diagram
Yayınlandı: 2014-06-04
| Güncellenmiş: 2022-03-11
