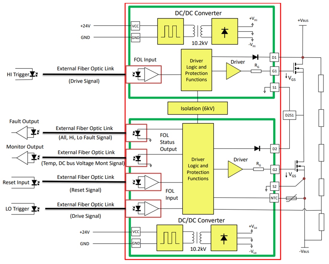
Microchip Technology XIFM Gate Driver
Microchip XIFM Gate Driver is an intelligent, isolated Plug-and-Play mSiC™ Gate Driver designed to drive 3.3kV SiC modules in High-Voltage (HV) packages such as HV LinPak/HV100. The Microchip XIFM Gate Driver includes gate drive control, power supply, fiber optic interface, and high voltage isolation (10.2kV).Features
- Supports 3.3kV HV100/LinPak SiC modules
- 10.2kV primary to secondary isolation
- Augmented switching (configurable turn-on and turn-off)
- Monitoring functions (isolated temperature, DC link monitoring)
- Advanced protection feature (UVLO, OVLO, Desat, Negative Temperature Coefficient (NTC))
- 2 X 10W output power
- 15A peak source/sink current
- Configurable gate output voltages
- Soft ShutDown (SSD) time and voltage level
- Qualified to below standards
- Railway standard EN50155
- EMC compliant to EN 50121-3-2, EN 61000-6-4
- Shock and vibration to EN 61373
- Fire hazard level HL2
Applications
- Rail traction (auxiliary and propulsion systems)
- Battery charging systems
- Smart grid/grid-tied distribution generation
- Uninterruptible power supply (UPS) systems
- Industrial motor drives
- Heavy duty equipment
- Medium voltage chargers/fast chargers
Basic Schematic
Yayınlandı: 2025-01-13
| Güncellenmiş: 2025-01-31
