Minebea MAP DC Brush Motors With Micro Air Pump
Minebea MAP DC Brush Motors with Micro Air Pump feature a simplified pump structure. These Minebea MAP DC brush motors feature low-cost pumps by reducing the number of parts and assembly man-hours. The DC brush motors operate at a 5V to 7V voltage range for MAP-AM-265 and a 2V to 3.2V voltage range for MAP-HD-140. These MAP DC brush motors are ideally used in blood pressure monitors for home appliances (for the wrist and upper arm).Features
- Simplified pump structure
- Low-cost pump by reducing the number of parts and the number of assembly man-hours
- Blood pressure monitor for home appliance (for wrist and upper arm)
Specifications
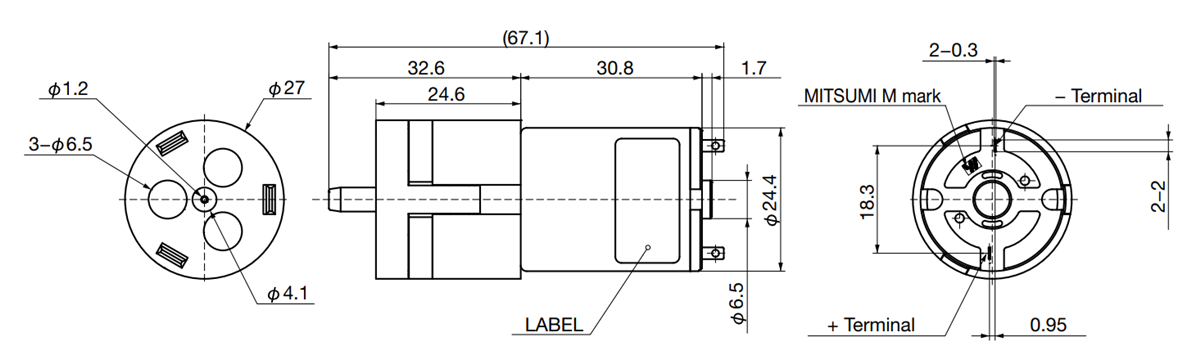
- MAP-AM-265
- 6V of rated voltage
- 5V to 7V voltage range
- 430mA current consumption
- 67.1mm length
- MAP-HD-140
- 3V of rated voltage
- 2V to 3.2V voltage range
- 450mA current consumption
Dimension Diagram - MAP-AM-265
Dimension Diagram - MAP-HD-140
Additional Resources
View Results ( 2 ) Page
| Parça Numarası | Açıklama | Motor Sürücü Tipi | Voltaj Derecesi | Uzunluk |
|---|---|---|---|---|
| MAP-HD-140 | AC, DC ve Servo Motorlar DC Brush Motor with Micro Air Pump | Brushed DC | 3 V | |
| MAP-AM-265 | AC, DC ve Servo Motorlar DC Brush Motor with Micro Air Pump | 6 V | 67.1 mm |
Yayınlandı: 2022-09-06
| Güncellenmiş: 2025-08-06
