Mini-Circuits MTY2-243+ MMIC Balun RF Transformer
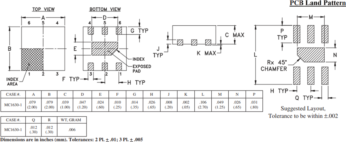
Mini-Circuits MTY2-243+ MMIC (Monolithic Microwave Integrated Circuit) Balun RF Transformer offers a 2:1 impedance ratio, covering a wide range of applications from 10GHz to 24GHz. Fabricated using HBT (Heterojunction Bipolar Transistor) process technology, the MTY2-243+ provides outstanding repeatability with low insertion loss, low amplitude unbalance, low phase unbalance, and RF input power handling up to +31dBm (1.25W). This device comes housed in a tiny 2mm x 2mm x 1mm QFN package with low inductance, excellent thermal efficiency, and a high ESD rating.Features
- 10GHz to 25GHz frequency range
- 31dB input RF power
- Aqueous washable
- Low insertion loss
- 1.0dB typical at 10GHz to 20GHz
- 1.5dB typical at 20GHz to 24GHz
- Low unbalance
- 0.7dB typical amplitude unbalance
- 6° typical phase unbalance
- -40°C to +85°C operating temperature range
- 2mm x 2mm x 1mm QFN package
- RoHS compliant
Applications
- Radar
- SATCOM
- Instrumentation
Technical Resources
Package Outline
Yayınlandı: 2020-06-29
| Güncellenmiş: 2024-05-10
