Monolithic Power Systems (MPS) EVQ8633B-H-LE-00A Evaluation Board
Monolithic Power Systems (MPS) EVQ8633B-H-LE-00A Evaluation Board is designed for MPQ8633B-H, a high-efficiency, monolithic, and synchronous converter. This MPQ8633B-H utilizes an internally compensated Constant-On-Time (COT) control mode that provides a fast transient response and eases loop stabilization. The EVQ8633B-H-LE-00A evaluation board can be turned on or off via a remote on/off input (EN) referenced to the ground, and the information is compatible with popular logic devices. This EVQ8633B-H-LE-00A evaluation board features a proprietary switching loss reduction technique and adaptive COT control for ultra-fast transient response. The EVQ8633B-H-LE-00A evaluation board operates at -40°C to 125°C temperature range and 8V to 16V input voltage range. This evaluation board is ideally used in telecom and networking systems, servers, cloud computing, and storage base stations.Features
- Differential output voltage remote sense
- Programmable accurate current limit level
- Low RDS(ON) integrated power MOSFETs
- Proprietary switching loss reduction technique
- Adaptive COT control for ultra-fast transient response
- Excellent load regulation
- Output voltage tracking
- Output voltage discharge
- PGOOD active clamped low during power failure
- Programmable soft-start time from 1ms
- Pre-biased start-up
- Non-Latch OCP, UVP, UVLO, OVP, and thermal shutdown
- Available in a QFN-21 (3mm x 4mm) package
Specifications
- -40°C to 125°C operating temperature range
- 8V to 16V input voltage
- 1V output voltage
- 20A output current
- Selectable switching frequency: 600kHz, 800kHz, or 1000kHz
- Output adjustable from 0.6V to 90% x VIN, up to 5.5V max
Applications
- Telecom and networking systems
- Servers, cloud computing, and storage
- Base stations
- General-purpose Point of Load (PoL)
- 12V distribution power systems
- High-end TVs
- Game consoles and graphics cards
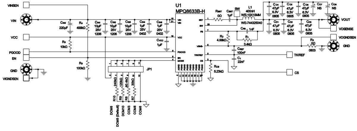
Schematic Diagram
Yayınlandı: 2023-10-13
| Güncellenmiş: 2023-11-05
