Monolithic Power Systems (MPS) MP3921 Single-Port PSE Power Controller
Monolithic Power Systems (MPS) MP3921 Single-Port Power-Sourcing Equipment (PSE) Power Controller is designed for IEEE 802.3af/at-compliant Power over Ethernet (PoE) applications. The MP3921 includes all the functions of IEEE 802.3af/at, including detection, single-event and two-event classification, current limiting, and disconnected load detection. All functions can be configured to operate in automatic or software configuration mode via I2C.
The Monolithic Power Systems (MPS) MP3921 features a 9-bit analog-to-digital converter (ADC) for current and voltage monitoring, a dedicated I2C interface for isolated controller communication, adjustable current limits, and configurable system functions. These features provide flexibility for PoE applications. The MP3921 is available in a QFN-32 (5mm x 5mm) package.
Features
- IEEE802.3af/at compliant
- 0.25Ω current-sense resistor (RSENSE)
- Automatic mode and I2C command control mode
- Internal VCC power supply
- Three-wire I2C interface for isolated applications
- Two INT pins for interrupt priority selection
- Disconnected DC load detection
- Instantaneous current/voltage readout
- Configurable I2C address
- Thermal protection
- Available in a QFN-32 (5mm x 5mm) package
Applications
- Power-Sourcing Equipment (PSE) switches/routers
- PSE midspan power injectors
- Surveillance Network Video Recorders (NVRs) and Digital Video Recorders (DVRs)
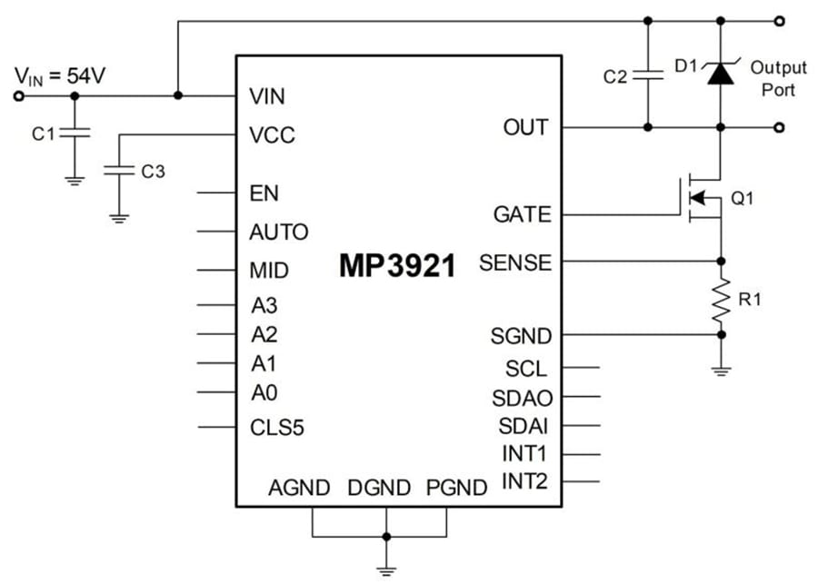
Typical Application Circuit
