Monolithic Power Systems (MPS) MPQ4210 40V 100W Synchronous Buck-Boost Controller
Monolithic Power Systems (MPS) MPQ4210 40V 100W Synchronous, Four-Switch Buck-Boost Controller is capable of regulating different output voltages with a wide input voltage range and high efficiency. The MPQ4210 provides an I2C interface, which supports VOUT voltage programmability, VOUT slew-rate control, and output constant current limit programmability, making the MPQ4210 suitable for USB Power Delivery (PD) 3.0 power solutions in automotive USB power designs.The MPS MPQ4210 uses valley current control in Buck mode and peak current control in Boost mode, providing a fast load transient response and smooth Buck-Boost mode transient. The MPQ4210 provides forced continuous conduction mode (FCCM) and a programmable average current limit, which supports flexible designs for different applications. The MPQ4210 also features programmable over-current protection (OCP) mode, programmable over-voltage protection (OVP) mode, and programmable VIN UVLO hysteresis. The MPQ4210 is offered in a QFN-27 package and is AEC-Q100 qualified for automotive applications.
Features
- 6V to 40V start-up input voltage range
- 5V to 40V operation input voltage range
- Flexible I2C interface control for
- 0.5V to 28V output voltage range
- 0.3V to 2.047V reference voltage range with 1mV step
- Selectable VOUT slew rate
- Programmable constant current limit
- Output current monitor function (IMON)
- Programmable soft-start time
- Switching frequency spread spectrum for EMI optimization
- Integrated VOUT discharge function
- Selectable 200kHz, 300kHz, 400kHz, and 600kHz switching frequency
- Forced CCM operation mode
- Programmable VINUVLO hysteresis
- OCP, SCP, and OVP
- Interrupt indicator for OCP, OVP, and PNG
- QFN-27 package with wettable flanks
- 5mm x 5mm package dimensions
- AEC-Q100 Qualified
Applications
- USB-PD
- Industrial PC power supplies
- Super-capacitor charging
Block Diagram
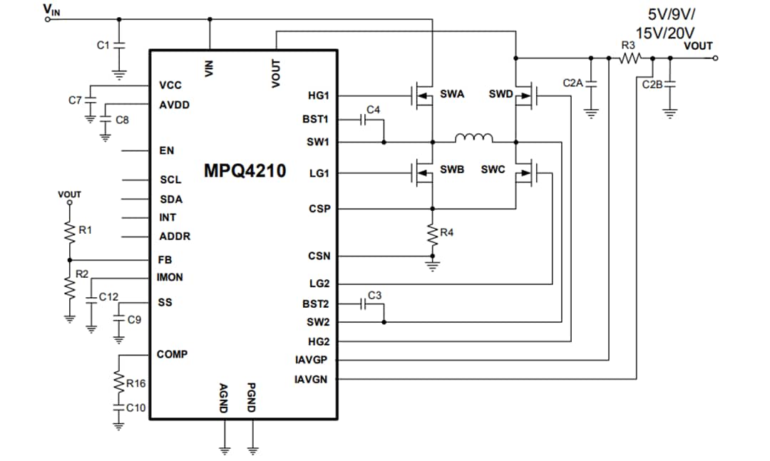
Typical Application Circuit
Yayınlandı: 2020-02-05
| Güncellenmiş: 2024-10-23
