Murata Power Solutions PQC250 250W Switching Power Supplies
Murata Power Solutions PQC250 250W Switching Power Supplies deliver high efficiency (94%, typical) and low power dissipation in operational and standby operation. PQC250 power supplies offer universal AC input capability with active power factor correction (PFC). These Murata Power Solutions devices come in a compact (3.0" x 5.0" x 1.40") package and provide 12-54V main output and 5V auxiliary output. PQC250 complies with worldwide safety and EMC standards and serves a variety of applications, including medical, computing, telecom, industrial, consumer, and more. Murata now offers PQC250 Power Supplies with Droop current share option.
Features
- IEC60601 Ed.3 medical (2 x MOPP Pri-Sec; 1 x MOPP Pri-Chassis Ground)
- 60950-1 compliant
- Designed to comply with IEC60601-1 4th Edition EMC Standard Requirements (when deployed in end-user systems)
- 250W compact high density, an operation to 250W at +50°C
- 12-54V main output (V1)
- 5V auxiliary output (V2)
- Very low no-load standby power, designed to meet ENERGY STAR® Program Requirements for single voltage external AC-DC power supplies
- Remote sense, main output
- True zero load operation of the main output (V1), no minimum load requirements
- 3" x 5" industry standard footprint
- High efficiency (94% typical), excellent overall no-load efficiency circa 74%
- Universal AC input with active PFC
- Less than 1U high
- RoHS compliant
- Active inrush protection
- Droop current share option
- Two-year standard warranty
Applications
- Medical
- Computing
- Communications
- Telecom
- Industrial
- Consumer
Videos
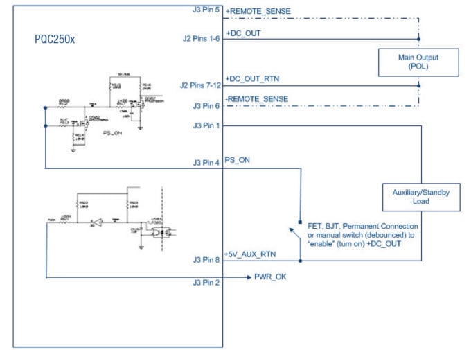
Wiring Diagram
Yayınlandı: 2017-04-11
| Güncellenmiş: 2026-02-27
