Nexperia 74LVC157A/74LVC157A-Q100 Quad 2-Input Multiplexers
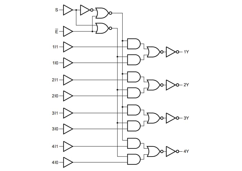
Nexperia 74LVC157A/74LVC157A-Q100 Quad 2-Input Multiplexers offer select (S) and enable E inputs. A HIGH on S selects data source 1, and a LOW data source 0. A HIGH on E forces all the outputs (1Y to 4Y) LOW. Inputs can be operated from either 3.3V or 5V devices. This feature allows the 74LVC157A devices to perform as translators in mixed 3.3V and 5V applications. Schmitt-trigger action at all inputs tolerate the circuit's slower input rise and fall times.The Nexperia 74LVC157A-Q100 Quad 2-Input Multiplexer is qualified per AEC-Q100 Grade 1 and is specified from -40°C to +85°C and -40°C to +125°C. The devices are ideal as translators in mixed 3.3V and 5V applications.
Features
- Automotive product qualification in accordance with AEC-Q100 Grade 1 (74LVC157A-Q100)
- Specified from -40°C to +85°C and -40°C to +125°C
- Overvoltage tolerant inputs to 5.5V
- Wide supply voltage range from 1.2V to 3.6V
- Complies with JEDEC standard:
- JESD8-7A (1.65V to 1.95V)
- JESD8-5A (2.3V to 2.7V)
- JESD8-C/JESD36 (2.7V to 3.6V)
- CMOS low power consumption
- Direct interface with TTL levels
- ESD protection:
- HBM: ANSI/ESDA/JEDEC JS-001 class 2 exceeds 2000V
- CDM: ANSI/ESDA/JEDEC JS-002 class C3 exceeds 1000V
- Multiple package options
Datasheets
Logic diagram
Yayınlandı: 2025-06-25
| Güncellenmiş: 2025-10-23
