Nexperia BC856xQC-Q PNP Transistors
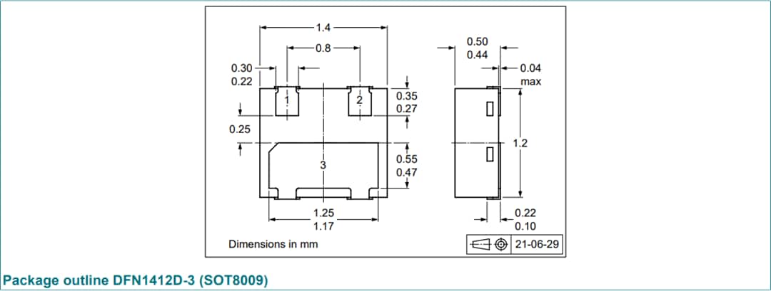
Nexperia BC856xQC-Q PNP Transistors are 65V 100mA transistors ideal for general-purpose switching and amplification. The BC856xQC-Q Transistors feature high power dissipation, excellent thermal performance, and robust solder joints. The low operating temperature of these devices extends the total system reliability.The Nexperia BC856xQC-Q PNP Transistors are available in a 1.4mm x 1.2mm x 0.48mm DFN1412D-3 (SOT8009) package. The Side-Wettable Flanks (SWF) of the DFN package improve shear forces and board bending capabilities and enable visible solder joints to be inspected post soldering. These devices are AEC-Q101 qualified for use in automotive applications.
Features
- AEC-Q101 qualified
- High power dissipation capability
- Low operating temperature
- Excellent thermal performance
- Smaller footprint compared to conventional leaded SMD packages
- 1.4mm x 1.2mm x 0.48mm DFN1412D-3 (SOT8009) package; 0.8 mm pitch
- SWF for Automatic Optical Inspection (AOI) of solder joints
Applications
- General-purpose switching and amplification
- Space-constrained applications
Specifications
- -65V collector-emitter voltage (VCEO)
- -100m collector current (IC)
- DC current gain (hFE)
- BC856AQC-Q: 125 to 250
- BC856BQC-Q: 220 to 475
- -200mA peak collector current (ICM)
- -80V collector-base voltage (VCBO)
- -6V emitter-base voltage (VEBO)
- 360mW to 450mW total power dissipation (Ptot)
- -55°C to 150°C ambient operating temperature range (Tamb)
Resources
Pin Designations
Package Outline
Yayınlandı: 2021-11-03
| Güncellenmiş: 2022-03-11
