Nisshinbo R5602L Battery Management Analog Front-End IC
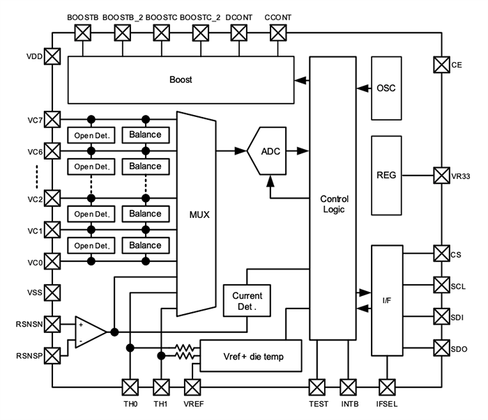
Nisshinbo R5602L Battery Management Analog Front-End IC is ideal for 4-cell to 7-cell Li-ion/Li-polymer battery management. The R5602L IC offers high accuracy voltage monitoring and low power consumption in a -40°C to +125°C temperature range. The device features a cell voltage monitor, bidirectional current monitor (based on monitoring the voltage across an external sense resistor), two input pins for temperature monitoring by external NTC thermistors, and a Die temperature monitor. The R5602L Front-End IC also offers overcurrent protection, high-side NMOSFET control, a voltage regulator, cell balancing switches, a switch for open-wire detection, and an I2C/SPI interface. A built-in A/D converter and MCU can read each monitor value as a digital value.Features
- High accuracy voltage monitoring
- Low power consumption
- Control high-side NMOSFET
- Cell connection sequence free
- 5mm2 x 0.8mm, QFN0505-32C package style
Applications
- Power tools
- Power storage
- Cordless/robot cleaners
- Pedelec
- E-bikes
- Drones
Specifications
- 40V absolute maximum rating
- Power consumption
- 150µA typical active consumption
- 1.0µA maximum standby consumption
- Built-in 12-bit A/D converter
- Cell voltage monitor
- 1.5V to 4.5V input range
- ±30mV accuracy
- Current monitor based-on monitoring the voltage across the sense resistor with gains of 2.5x, 10x, and 20x
- Temperature monitoring by two external NTC thermistors
- Die temperature monitoring and high-temperature alert
- Less than 1ms/1monitor maximum monitoring speed
- Overcurrent protections by detectors
- Overcharge
- Over-discharge
- Sort-circuit
- 3.4V typical voltage regulator output
- High-side NMOSFET control
- Built-in cell balancing switch, cell balancing current depends on the external resistor (up to 20mA)
- Built-in switch for open-wire detection
- Cell connection sequence free when CE = low
- I2C/SPI interface with/without CRC
Block Diagram
Application Diagram
Yayınlandı: 2021-07-27
| Güncellenmiş: 2022-03-11
