NXP Semiconductors BGA2851 MMIC Wideband Amplifier
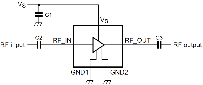
NXP Semiconductors BGA2851 MMIC (Monolithic Microwave Integrated Circuit) Wideband Amplifier is optimized for use in LNB IF amplifiers and general purpose low noise wideband amplifier for frequencies between DC and 2.2GHz. The BGA2851 is internally matched to 50Ω, and therefore does not need any external matching. The value of the input and output DC blocking capacitors C2 and C3 should not be more than 100pF for applications above 100MHz. However, when the device is operated below 100MHz, the capacitor value should be increased. The location of the 470pF supply decoupling capacitor (Cdec) can be precisely chosen for optimum performance.The NXP Semiconductors BGA2851 MMIC Wideband Amplifier is available in a 6-pin SOT363 plastic SMD package, with a -40°C to +125°C operating temperature range.
Features
- Internally matched to 50Ω
- A gain of 24.7dB at 950MHz
- Output power at 1dB gain compression = -1dBm
- Supply current = 7.0mA at a supply voltage of 5V
- Unconditionally stable (K > 1)
- Reverse isolation > 33dB up to 2150MHz
- Good linearity with low second-order and third-order products
- Noise figure = 3.2dB at 950MHz
- No output inductor required
Applications
- LNB IF amplifiers
- General-purpose low noise wideband amplifier for frequencies between DC and 2.2GHz
Application Circuit
Yayınlandı: 2012-05-08
| Güncellenmiş: 2022-03-11
