Omron Electronics XM3K-N D-Sub Connector Plugs
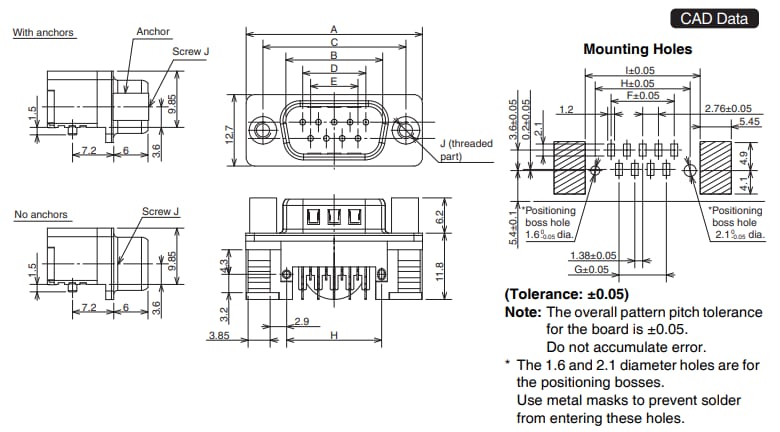
Omron Electronics XM3K-N D-Sub Connector Sockets are designed to mount on the back surface of the circuit boards. These SMT plugs are available in 9 and 25 contact variants and compatible with reflow mounting. The XM3K-N D-sub connectors feature circuit board positioning bosses that facilitate accurate mounting on circuit boards. These SMT plugs are RoHS compliant and operate at -55°C to +105°C temperature range. Omron Electronics XM3K-N D-sub plugs offer a steel shell with nickel plating and are available in an optional anchor variant.Features
- SMT connectors can be mounted on the back surface of the circuit boards
- Circuit board positioning bosses that provide for accurate mounting of circuit boards
- Compatible with reflow mounting
- RoHS compliant
- 200 times insertion durability
- Available with 9 or 25 contacts
Specifications
- LCP (UL 94V-0) / black housing
- Contacts
- Copper alloy/gold plating mating end
- Copper alloy/tin plating terminals
- 3A rated current
- 300VAC rated voltage
- -55°C to +105°C operating temperature range
Dimensions (mm)
Yayınlandı: 2019-09-25
| Güncellenmiş: 2023-07-28
