onsemi FAD8253MX-1 Half-Bridge Gate Driver IC
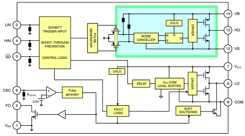
onsemi FAD8253MX-1 Half-Bridge Gate Driver IC is a monolithic device designed for high voltage, high speed driving IGBTs operating up to +1200V. onsemi’s high-voltage process and common-mode noise canceling technique provide stable operation of high-drivers under high-dV/dt noise circumstances. An advanced level-shift circuit allows high-side gate driver transient operation down to VS = -15V for VBS = 15V. Under Voltage Lockout (UVLO) circuits are tailored to IGBTs as per the FAD8253 IC to prevent malfunction when VDD and VBS are lower than the specified threshold voltage. The output drivers source 2.5A and sink 3.4A (typical), which is suitable for half-bridge and full-bridge applications in motor drive systems.The FAD8253 offers built-in low-side current detection circuitry with an additional provision for soft shutdown (for the low side) during overcurrent or short-circuit conditions. The driver provides adequate protection during short circuits by turning off the outputs while generating a fault output for fault reporting. The driver offers additional flexibility by providing a shutdown pin to disable driver outputs externally.
Features
- Floating channel for bootstrap operation to +1200V
- Peak output current capability of 2.5A source and 3.4A sink
- Allowable negative VS transient swing of up to -15V at VBS=15V
- Built-in common mode dv/dt noise canceling circuit
- Separate power and signal ground for enhanced dl/dt immunity
- <50ns matched propagation delay
- 3.3V and 5V input logic compatible
- Built-in shoot-through prevention logic with 120ns (typical) dead time
- Built-in UVLO functions for both high- and low-side with thresholds optimized for IGBTs
- Built-in low-side short-circuit protection with soft shutdown
- SOIC-14NB with non-connected pins for high voltage creepage and clearance requirements
- Fault reporting during overcurrent or short-circuit condition
- External shutdown pin to enable or disable driver outputs
- Moisture Sensitivity Level (MSL) 1
- AEC-Q100 qualified and PPAP capable
- Lead-free and RoHS-compliant
Applications
- High-voltage auxiliary motor drives
- Generic half-bridge and full-bridge drivers
- Onboard chargers and DC/DC converters
- Traction inverters
Specifications
- 4.5V to 18.0V supply voltage range
- 2.5A output current
- 50mV output voltage
- 50V/ns maximum allowable offset voltage slew rate
- 0.8W maximum power dissipation
- 156°C/W maximum junction-to-ambient thermal resistance
- 13ns rise time
- 15ns fall time
- 145ns propagation delay
- -40°C to +125°C ambient temperature range
- ESD protection
- 2500V Human Body Model (HBM)
- 750V Charged Device Model (CDM)
Typical Applications
Block Diagram
Yayınlandı: 2024-11-06
| Güncellenmiş: 2024-11-12
