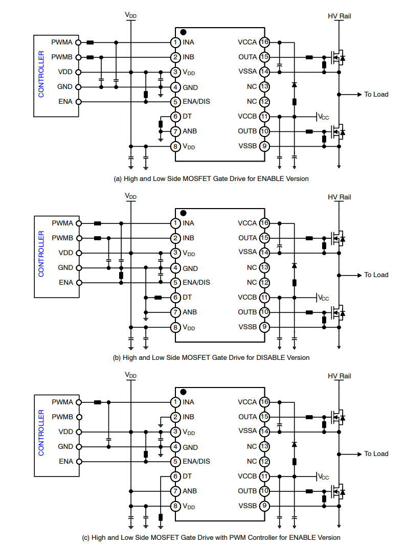
The onsemi NCV51561 Isolated Dual-Channel Gate Driver has a working voltage of up to 1500VDC provided by two 5kVRMS galvanically isolated gate driver channels. These channels allow many configurations of two low-side, two high-side switches, or a half-bridge driver with programmable dead time.
The NCV51561 delivers other important protection functions such as independent undervoltage lockout for both gate drivers and a dead time adjustment function.
Features
- 4.5A Peak source, 9A peak sink output current capability
- Flexible dual low-side, dual high-side, or half-bridge gate driver
- Independent UVLO protections for both output drivers
- Output supply voltage from 6.5V to 30V with 5V and 8V for MOSFET, 13V and 17V UVLO for SiC, thresholds
- Common mode transient immunity CMTI > 200V/ns
- Propagation delay typical 36ns with
- 5ns Max delay matching per channel
- 5ns Max pulse-width distortion
- User programmable input logic
- Single or dual−input modes via ANB
- ENABLE or DISABLE Mode
- User programmable dead-time
- AEC−Q100 Qualified for automotive application requirements
- Isolation and safety
- 5kVRMS Isolation for 1 minute (per UL1577 Requirements) and 1500V peak differential voltage between output channels
- 8000VPK Reinforced Isolation Voltage (per VDE0884−11 Requirements)
- CQC Certification per GB4943.1−2011
- SGS FIMO Certification per IEC 62386−1
- Pb-Free Devices
Applications
- On-board chargers
- xEV DC-DC Converters
- Traction inverters
- Charging stations
Videos
Infographic
Typical Application Circuits
Yayınlandı: 2022-08-22
| Güncellenmiş: 2024-05-16

