onsemi NCV7691 Current Controller
onsemi NCV761 Current Controller provides an external NPN bipolar device to drive LEDs. The LED brightness levels are programmed using an external resistor with a bipolar transistor increasing the current range. The NCV7691 controller LED driver is flexible to add a single channel to multichannel systems. Features include Pulse Width Modulation (PWM) control, multiple LED string control, open LED string, and short-circuit LED string diagnostic. The current controller is Pb-free, and automotive-Q100 qualified. The onsemi NCV7691 is ideal for automotive LED lamps, Rear Combination Lamps (RCL), fog lights, and automotive linear current LED drivers.Features
- Constant current output for LED string drive
- External bipolar device for wide current range flexibility
- BCP56 transistor can drive multiple strings concurrently
- External programming current resistor
- PWM control
- Negative temperature coefficient current control option
- Open LED string diagnostic
- Short−circuit LED string diagnostic
- Multiple LED string control
- Overvoltage set back power limitation
- SOIC−8 package
- AEC−Q100 qualified and Production Part Approval Process (PPAP) capable
- Pb−Free devices
Specifications
- -55ºC to 150ºC of Junction temperature (TJ)
- 4V (typical) under-voltage lockout
- 15ºC (typical ) of thermal hysteresis
- 100KHz (typical) of unity-gain bandwidth
- -0.3V to 50V DC supply voltage (VS)
Applications
- Rear Combination Lamps (RCL)
- Daytime Running (DR) lights
- Center High Mounted Stop Lamps (CHMSL) arrays
- Turn signal and other externally modulated applications
- General automotive linear current LED driver
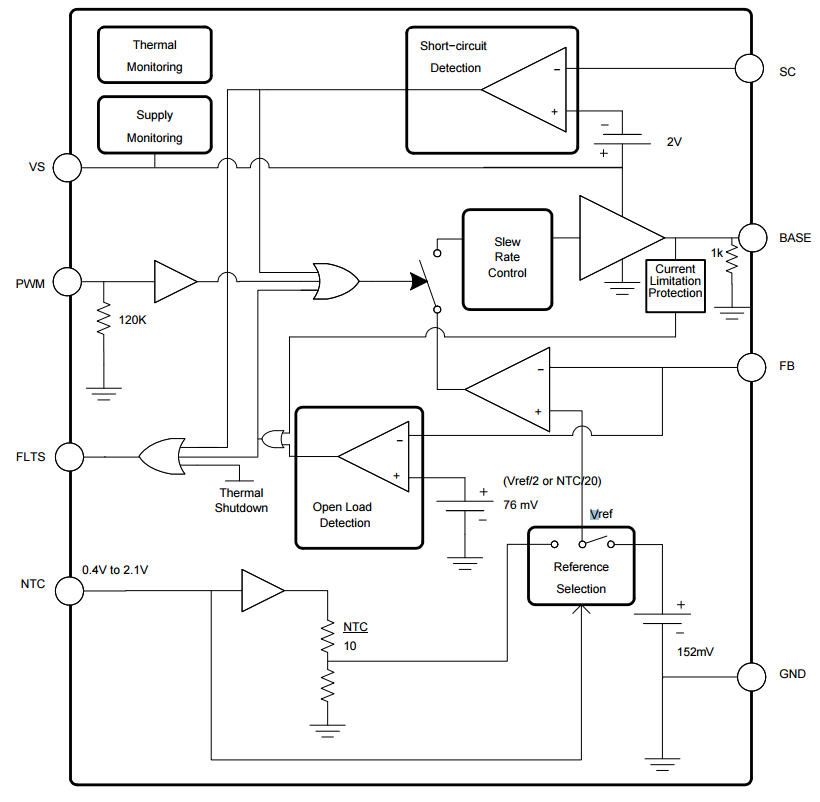
Block Diagram
NCV7691 Negative Temperature Coefficient
Yayınlandı: 2017-01-03
| Güncellenmiş: 2022-03-11
