onsemi NTMJS1D5N04CL 40V Industrial Power MOSFET
onsemi NTMJS1D5N04CL 40V Industrial Power MOSFET features a small 5mm x 6mm footprint, low RDS(on), low Gate Charge (QG), and low capacitance. The low RDS(on) value helps to minimize conduction losses while the low QG and low capacitance minimize driver losses. This single N-channel power MOSFET is Pb-free, RoHS-compliant, and features a -55°C to +175°C operating temperature range.Features
- Low RDS(on) to minimize conduction losses
- 1.4mΩ at 10V
- 2.2mΩ at 4.5V
- 200A maximum continuous drain (ID)
- 40V drain-to-source voltage (VDSS)
- ±20V gate-to-source voltage (VGS)
- 120A body diode source current (IS)
- Low 32nC total gate charge (QG(TOT))
- 4300pF input capacitance (CISS)
- 1900pF output capacitance (COSS)
- 61ns reverse recovery time (tRR)
- 29ns charge time (ta)
- 32ns discharge time (tD)
- -55°C to +175°C operating junction temperature (TJ)
- LFPAK-8 package type
- Pb-free and RoHS-compliant
Applications
- Switch mode power supplies
- Solar inverters
- Uninterruptible power supplies
- Induction heating equipment
- Motor drives
- Wind power converters
Internal Schematic
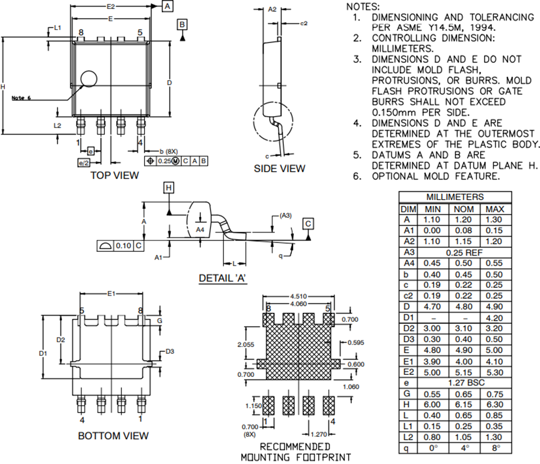
Package Dimensions
Yayınlandı: 2019-08-23
| Güncellenmiş: 2024-02-26
