ams OSRAM SPL PL90AT03 Radial T1 3/4 Laser Diode
ams OSRAM SPL PL90AT03 Radial T1 3/4 Laser Diode delivers 75W of peak power for 3D sensing, Lidar, and TOF applications. The SPL PL90AT03 diode is ideal for short laser pulses from 1ns to 100ns. The device features a 110nm aperture that leads to a narrow emission width. The ams OSRAM SPL PL90AT03 diode is housed in a cost-effective plastic package for high-volume applications.Features
- 905nm laser wavelength
- 110nm aperture size
- Suited for short laser pulses from 1ns to 100ns
- Cost-effective plastic package for high-volume applications
- 75W peak power
Applications
- 3D sensing
- Access control and security
- Appliances and tools
- Factory automation
- Home and building automation
- Robotics
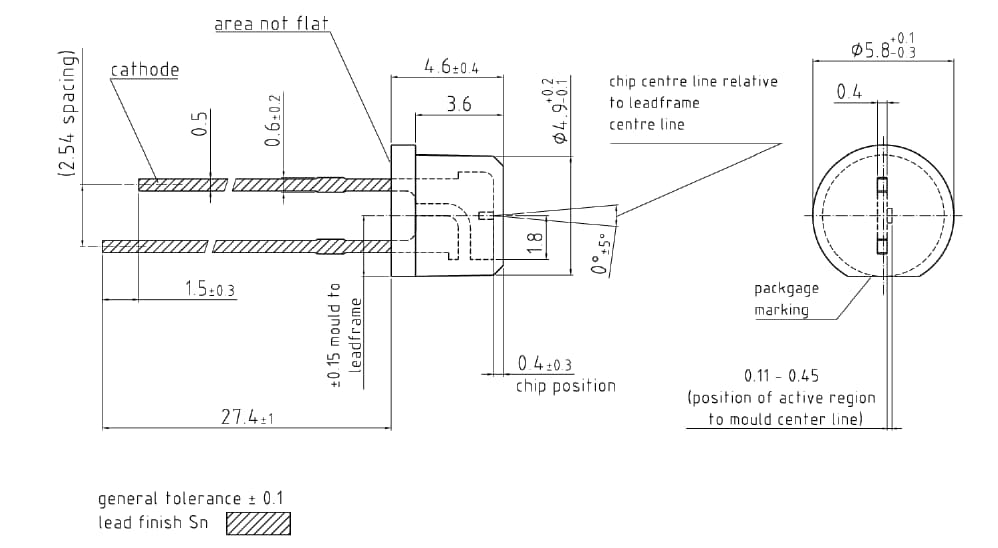
Dimensions mm
Videos
Yayınlandı: 2023-03-20
| Güncellenmiş: 2023-08-31
