Power Integrations LinkSwitch-4 CV/CC Switcher
Power Integrations LinkSwitch™-4 Family of offline power conversion ICs targets chargers and adapters required to meet stringent new efficiency rules from the US Department of Energy (DoE) and European Code of Conduct (CoC). Power Integrations LinkSwitch-4 exceeds these requirements while using a low-complexity Schottky diode secondary, even for high-current 1.5 A and 2 A smartphone chargers. The LinkSwitch-4 Family features an advanced adaptive base-emitter switched drive scheme for bipolar junction transistor (BJT) switches to improve power conversion efficiency.Features
- Performance
- Adaptive base-emitter switched drive technology provides flexibility in the choice of BJT transistor by optimizing BJT switching characteristics
- Extends reverse bias safe operating area (RBSOA) of BJT
- Dramatically reduces sensitivity to BJT gain
- Meets DoE 6 and CoC V5 2016 via an optimized quasi-resonant switching PWM/PFM control
- No-load consumption of
- Compensates for transformer inductance tolerances, input line voltage variations, cable voltage drop, and external component temperature variations
- Accurate IC parameter tolerances using proprietary trimming technology
- Fixed minimum peak current to improve transient load response
- CV/CC Converters
- Eliminates optocoupler and secondary CV/CC control circuitry
- Eliminates control loop compensation circuitry
- Protection and Safety Features
- Single fault output overvoltage and short-circuit
- Packaging
- Halogen Free and RoHS Compliant package
Applications
- Chargers for cell/cordless devices
- PDAs
- MP3/portable audio devices
- Adapters
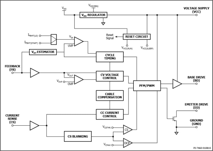
Block Diagram
Yayınlandı: 2015-04-27
| Güncellenmiş: 2022-03-11
